

D371X、D341X加長桿軟密封蝶閥
產品概述 D371X、D341X加長桿軟密封蝶閥是是由于管道特殊要求而特殊制定的 閥門 ,根據現場的需要來制定加長桿的長度。此閥 尺寸小,重量輕,可在各種介質管道中作為截斷、調節流量的設備。通過選用不同材質的閥板和密封座,以及板、軸通過無銷連接可用于更...
產品型號:D71J、D371J
產品口徑(DN):40~1200(mm)
產品壓力(PN):0.6~1.6Mpa(Mpa)
更新日期:2016-05-03
24小時免費咨詢電話021-80392609
- 產品詳情

產品概述
D371X、D341X加長桿軟密封蝶閥是是由于管道特殊要求而特殊制定的閥門,根據現場的需要來制定加長桿的長度。此閥 尺寸小,重量輕,可在各種介質管道中作為截斷、調節流量的設備。通過選用不同材質的閥板和密封座,以及板、軸通過無銷連接可用于更惡劣的工況,如脫硫、真 空、海水淡化系統等。。此閥適用在石油、化工、食品、醫藥、造紙、水電、船舶、給排水、冶煉、能源等系統管路上,可在多種腐蝕性、非腐蝕性的氣體、液體、 半流體以及固體粉末管和容器上作為調節和截流設備使用。
產品特點
1、操作扭矩小,省力輕巧。
2、流量特性趨于直線,調節性能好。
3、達到完全密封,氣體試驗泄露為零。
4、結構簡單、緊湊、90°運轉啟閉迅速。
5、選擇不同零部件材質,可適用多種介質。
6、小型輕便,容易拆裝及維修,并可在任意位置上安裝。
產品零部件材料
| 主要性能參數: | |
| 公稱壓力 | PN 1.0/1.6Mpa/150PSI |
| 適用溫度 | ≤120℃ |
| 適用介質 | 水、空氣、食品、油品 |
| 主要零部件 | 閥體、閥瓣、閥桿、閥座、轉軸 |
| 主要材料 | 球墨鑄鐵、碳鋼 |
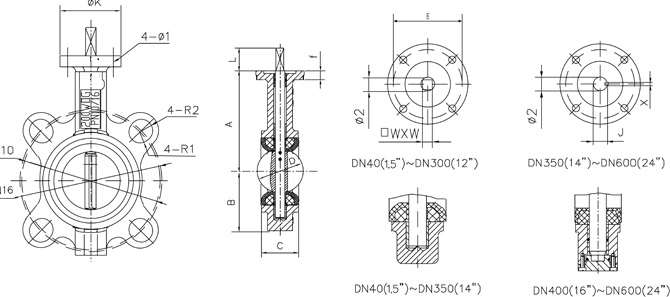
產品外形及對夾結構尺寸

| DN | A | B | C | D | L | D1 | D2 | Φ1 | Φk | E | R1 | R2 | Φ2 | f | J | X | W*W |
重量 (kg) |
| (PN10) | (PN16) | |||||||||||||||||
| 32 | 125 | 73 | 32.9 | 35.8 | 32 | 100 | 100 | 7 | 65 | 50 | R9.5 | R9.5 | 12.6 | 10 | 9*9 | 1.6 | ||
| 40 | 125 | 73 | 33 | 39 | 32 | 110 | 110 | 7 | 65 | 50 | R9.5 | R9.5 | 12.6 | 10 | 9*9 | 1.8 | ||
| 50 | 125 | 73 | 43 | 52 | 32 | 125 | 125 | 7 | 65 | 50 | R9.5 | R9.5 | 12.6 | 10 | 9*9 | 2.3 | ||
| 65 | 136 | 82 | 46 | 64 | 32 | 145 | 145 | 7 | 65 | 50 | R9.5 | R9.5 | 12.6 | 10 | 9*9 | 3 | ||
| 80 | 142 | 91 | 45.21 | 78 | 32 | 160 | 160 | 7 | 65 | 50 | R9.5 | R9.5 | 12.6 | 10 | 9*9 | 3.7 | ||
| 100 | 163 | 107 | 52.07 | 104 | 32 | 180 | 180 | 10 | 90 | 70 | R9.5 | R9.5 | 15.77 | 12 | 11*11 | 5.2 | ||
| 125 | 176 | 127 | 55.5 | 123 | 32 | 210 | 210 | 10 | 90 | 70 | R9.5 | R9.5 | 18.92 | 12 | 14*14 | 6.8 | ||
| 150 | 196 | 143 | 55.75 | 155 | 32 | 240 | 240 | 10 | 90 | 70 | R11.5 | R11.5 | 18.92 | 12 | 14*14 | 8.2 | ||
| 200 | 228 | 170 | 60.58 | 202 | 45 | 295 | 295 | 12 | 125 | 102 | R11.5 | R11.5 | 22.1 | 15 | 17*17 | 14 | ||
| 250 | 258 | 204 | 68 | 250 | 45 | 350 | 355 | 12 | 125 | 102 | R11.5 | R14 | 28.45 | 15 | 22*22 | 23 | ||
| 300 | 292 | 240 | 76.9 | 301 | 45 | 400 | 410 | 12 | 125 | 102 | R11.5 | R14 | 31.6 | 15 | 22*22 | 32 | ||
| 350 | 336 | 270 | 76.17 | 333.3 | 45 | 460 | 470 | 14 | 150 | 125 | R11.5 | R14 | 31.6 | 18 | 34.6 | 8 | 43 | |
| 400 | 368 | 325 | 85.7 | 389.6 | 51 | 515 | 525 | 18 | 175 | 140 | R14 | R15.5 | 33.15 | 23 | 36.15 | 10 | 57 | |
| 450 | 400 | 356 | 104.6 | 440.5 | 51 | 565 | 585 | 18 | 175 | 140 | R14 | R14 | 38 | 23 | 10.95 | 10 | 78 | |
| 500 | 438 | 395 | 130.28 | 492 | 64 | 620 | 650 | 18 | 175 | 140 | R14 | R14 | 41.14 | 27 | 44.12 | 10 | 105 | |
| 600 | 562 | 475 | 151.36 | 593 | 70 | 725 | 770 | 22 | 210 | 165 | R15.5 | R15.5 | 50.65 | 27 | 54.62 | 16 | 192 |
蝶閥所適用的場合
蝶閥適用于流量調節。由于蝶閥在管路中的壓力損失比較大,大約是閘閥的三倍,因此在選擇蝶閥時,應充分考慮管路系統受壓力損失的影晌,還應考慮關閉時蝶板承受管道介質壓力的堅固性。此外,還考慮在髙溫下彈性閥座材料所承受工作溫度的限制。蝶閥的結構長度和總體高度較小,開啟和關閉速度快,且具有良好的流體控制特性,蝶閥的結構原理適合于制作大口徑閥門。當要求蝶閥作控制流量使用時,重要的是正確選擇蝶閥的尺寸和類型,使之能恰當地、有效地工作。
通常,在節流、調節控制與泥漿介質中,要求結構長度短,啟閉速度快(1/4轉)。低壓截止(壓差小),推薦選用蝶閥。
在雙位調節、縮口的通道、低噪聲、有氣穴和氣化現象,向大氣少量滲漏,具有磨蝕性介質時,可以選用蝶閥。
在特殊工況條件下節流調節,或要求密封嚴格,或磨損嚴重、低溫(深冷)等工況條件下使用蝶閥時,需使用特殊設計金屬密封帶調節裝置的三偏心或雙偏心的專用蝶閥。
中線蝶閥適用于要求達到完全密封、氣體試驗泄漏為零、壽命要求較高、工作溫度在-10~150℃的淡水、污水、海水、鹽水、蒸汽、天然氣、食品、藥品、油品和各種酸臧及其他管路上。
軟密封偏心蝶閥適用于通風除塵管路的雙向啟閉及調節,廣泛用于冶金、輕工、電力、石油化工系統的煤氣管道及水道等。
金屬對金屬線密封雙偏心蝶閥適用于城市供熱、供汽、供水及煤氣、油品、酸堿等管路,作為調節和截流裝置。
金屬對金屬面密封三偏心蝶閥除作為大型變壓吸附(PSA)氣體分離裝置程序控制閥使用外,還可廣泛用于石油、石化、化工、冶金、電力等領域,是閘閥、截止閥等的良好替代產品。
蝶閥的選用原則
(1)由于蝶閥相對于閘閥、球閥壓力損失比較大,故適用于壓力損失要求不嚴的管路系統中。(2)由于蝶閥可以用作流量調節,故在需要進行流童調節的管路中宜于選用。
(3)由于蝶閥的結構和密封材料的限制,不宜用于髙溫、高壓的管路系統。一般工作溫度在300℃以下,公稱壓力在PN40以下。
(4)由于蝶閥結構長度比較短,且又可以做成大口徑,故在結構長度要求短的場合或是大口徑閥門(如DN1000以上),宜選用蝶閥。
(5)由于蝶閥僅旋轉就能開啟或關閉,因此在啟閉要求快的場合宜選用蝶閥。
安裝注事事項:
1、安裝前應核對蝶閥規格、壓力、溫度、耐腐性是否滿足使用要求。 應檢查各零部件是否損壞或松動。
2、本蝶閥可安裝在任意角度的管道上,應關閉安裝為宜;焊接管道法蘭時應將閥門密封口用板擋住以防止顆粒、雜物挫傷密封面,焊后取下 閥門,對閥門密封面及管道內腔進行清潔,然后再安裝固定閥門。
3、安裝時請注意閥門關閉狀態承壓方向。
4、安裝前應將密封面(兩端密封面、蝶板密封面、閥座密封面)徹底擦干凈,去掉灰塵和污物。
5、安裝前應空試蝶閥,啟閉應靈活,啟閉位置與指針指示位置相符合。
6、手動操作順時針為關,逆時針為開,指針指示到位后不準再加力啟閉閥門。
7、閥門做壓力試驗時,不準用單法蘭進行安裝試壓,采用雙法蘭安裝試壓。其試驗壓力應符合GB/T13927-92標準規定。
8、緊固螺栓時應對稱交替進行緊固,不準依次單獨緊固。
9、限位螺釘出廠前,已經調好,不準輕易調整。若配置驅動裝置為電動、氣動請閱配套驅動裝置說明書。
10、電動蝶閥出廠時已將控制機構的啟閉行程調好。為防止電源接通時方向搞錯,用戶在次接通電源前要先手動開啟到半開位置,再按點動開關,檢查指示盤方向與閥門開啟方向一致即可。
11、發現閥門啟閉失常應查明原因進行修理和排除,防止用加力方法開關閥門,造成閥門的損壞。

-

GID-50電動真空蝶閥
GID-50~400電動真空蝶閥 說明書資料介紹: GID-50~400電動真空蝶閥 : 別名真空蝶閥,閥...
-

D671F-10P氣動防爆不銹鋼蝶閥 耐腐蝕酸堿鹽對夾閥門
*** 滬工恒 公稱直徑 50cm 數量 480個 是否支持加工定制 否 是否進口 否 包裝規格 DN5...
-

Play 電動調節型快裝蝶閥 卡盤式食品衛生級開關型閥門
*** 滬工恒 公稱直徑 25cm 數量 300個 是否支持加工定制 是 是否進口 否 包裝規格 DN2...
-

GHQ971X 電動對夾式蝶閥 塑料智能型軟密封閥門
*** 滬工恒 公稱直徑 50cm 數量 500個 是否支持加工定制 是 是否進口 否 包裝規格 DN5...


