

D943H電動法蘭硬密封三偏心蝶閥
產品概述 D943H電動法蘭硬密封三偏心蝶閥采用三維偏心結構,蝶板為軟硬層疊式金屬片,具有金屬硬密封和彈性密封的雙重***點。電動硬密封法蘭蝶閥具有雙向密封功能,安裝時不受介質流向的限制,也不受 空間位置的影響,可在任何方向安裝。電動硬密封法蘭蝶閥被...
產品型號:D943H
產品口徑(DN):20~2400(mm)
產品壓力(PN):1.0~6.4Mpa(Mpa)
更新日期:2019-10-08
24小時免費咨詢電話021-80392609
- 產品詳情
產品概述
D943H電動法蘭硬密封三偏心蝶閥采用三維偏心結構,蝶板為軟硬層疊式金屬片,具有金屬硬密封和彈性密封的雙重***點。電動硬密封法蘭蝶閥具有雙向密封功能,安裝時不受介質流向的限制,也不受 空間位置的影響,可在任何方向安裝。電動硬密封法蘭蝶閥被廣泛用于介質溫度≤425℃的冶金、電力、石油、化工等工業管道上,做調節流量和截斷流體使用。
電動硬密封蝶閥其主要特點如下:
1:閥軸位于閥座后面,使得密封能夠完全緊密環繞接觸整個閥座。
2:閥軸中心線偏離管道和閥門中心線,避免受閥開啟和關閉的干擾。
3:閥座錐體軸偏離閥軸中心線,這樣可以在關閉和開啟過程中磨擦作用,并且實現環繞整個閥座的均勻一致的壓縮密封效果。
4:使用壽命更長的無磨擦密封
5:作為標準配置,閥座采Cr13合金或鎢絡鈷合金硬面。
6:密封墊采用螺旋盤繞不銹鋼/石墨,用于實現零泄漏。
主要設計標準
| 設計標準 | GB/T2238-1989 |
|---|---|
| 法蘭連接尺寸 | GB/T9113.1-2000;GB/T9115.1-2000;JB78 |
| 結構長度 | GB/T12221-1989 |
| 壓力試驗 | GB/T13927-2000;JB/T9092-1999 |
執行器參數及特點
(1)功能強勁:智能型、調節型、開關式。
(2)體積小巧:體積僅相當于同類產品的35%左右。
(3)使用方便:采用單相電源,接線簡單;采用的球型凸出結構,使觀察更方便;免加油免點檢、防水防銹、任意角度安裝。
(4)保護裝置有雙重限位、過熱保護、過載保護。全行程時間15秒、30秒、45秒、60秒。及帶手動功能。
(5)智能數控:內置模塊采用計算機單片及智能控制軟件直接接收計算機或工業儀表等輸出的標準信號(4-20mA DC /1-5VDC)實現閥門開度的智能控制和精確定位。
也可選用3810系列或NA系列電子式角行程執行機構.亦可選用PSQ系列或DYR系列。≥DN400口徑閥門一般采用380VAC電動執行器。
主要零件材料
| 零件名稱 | 材料 |
|---|---|
| 閥體 | 鑄鐵、不銹鋼、鉻鉬鋼、合金鋼 |
| 蝶板 | 鑄鋼、合金鋼、不銹鋼、鉻鉬鋼 |
| 密封圈 | 不銹鋼與耐高溫石棉板組合成多層次 |
| 閥桿 | 2Cr13、1Cr13不銹鋼、鉻鉬鋼 |
| 填料 | O型圈、柔性石墨 |
主要性能規范
| 公稱通徑DN(mm) | DN50~1200 | ||||
|---|---|---|---|---|---|
| 公稱壓力 | PN(MPa) | 0.6 | 1.0 | 1.6 | 2.5 |
| 試驗壓力 | 強度試驗 | 0.9 | 1.5 | 2.4 | 3.75 |
| 密封試驗 | 0.66 | 1.1 | 1.76 | 2.75 | |
| 低壓氣密試驗 | 0.5~0.7 | ||||
| 適用介質 | 空氣、水、污水、蒸氣、煤氣、油品等 | ||||
| 適用溫度 | 碳鋼:-29℃~600℃ 不銹鋼:-40℃~600℃ | ||||
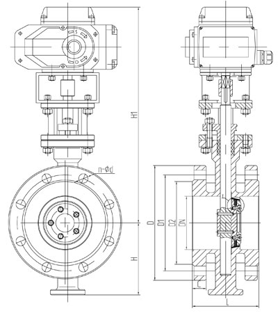
主要外形尺寸

|
公稱通經 (DN) |
主要尺寸 | 法蘭尺寸 | ||||||||||
|---|---|---|---|---|---|---|---|---|---|---|---|---|
| L | H | H1 | 1.0MPa | 1.6MPa | 2.5MPa | |||||||
| D | D1 | n-Фd | D | D1 | n-Фd | D | D1 | n-Фd | ||||
| 50 | 108 | 112 | 530 | 165 | 125 | 4-18 | 165 | 125 | 4-18 | 165 | 125 | 4-18 |
| 65 | 112 | 115 | 530 | 185 | 145 | 4-18 | 185 | 145 | 4-18 | 185 | 145 | 8-18 |
| 80 | 114 | 120 | 565 | 200 | 160 | 4-18 | 200 | 160 | 8-18 | 200 | 160 | 8-18 |
| 100 | 127 | 138 | 600 | 220 | 180 | 8-18 | 220 | 180 | 8-18 | 235 | 190 | 8-22 |
| 125 | 140 | 164 | 640 | 250 | 210 | 8-18 | 250 | 210 | 8-18 | 270 | 220 | 8-26 |
| 150 | 140 | 175 | 705 | 285 | 240 | 8-22 | 285 | 240 | 8-22 | 300 | 250 | 8-26 |
| 200 | 152 | 200 | 775 | 340 | 295 | 8-22 | 340 | 295 | 12-22 | 360 | 310 | 12-26 |
| 250 | 165 | 243 | 945 | 395 | 350 | 12-22 | 405 | 355 | 12-26 | 425 | 370 | 12-30 |
| 300 | 178 | 250 | 1070 | 445 | 400 | 12-22 | 460 | 410 | 12-26 | 485 | 430 | 16-30 |
| 350 | 190 | 280 | 1140 | 505 | 460 | 16-22 | 520 | 470 | 12-26 | 555 | 490 | 16-33 |
| 400 | 216 | 305 | 1210 | 565 | 515 | 16-26 | 580 | 525 | 16-26 | 620 | 550 | 16-36 |
| 450 | 222 | 350 | 1335 | 615 | 565 | 20-26 | 640 | 585 | 16-30 | 670 | 600 | 20-36 |
| 500 | 229 | 380 | 1415 | 670 | 620 | 20-26 | 715 | 650 | 20-30 | 730 | 660 | 20-36 |
| 600 | 267 | 445 | 1605 | 780 | 725 | 20-30 | 840 | 770 | 20-33 | 845 | 770 | 20-39 |
| 700 | 292 | 480 | 1844 | 895 | 840 | 24-30 | 910 | 840 | 24-36 | 960 | 875 | 24-42 |
| 800 | 318 | 530 | 2040 | 1015 | 950 | 24-33 | 1025 | 950 | 24-39 | 1085 | 990 | 24-48 |
| 900 | 330 | 580 | 2255 | 1115 | 1050 | 28-33 | 1125 | 1050 | 28-39 | 1185 | 1090 | 28-48 |
| 1000 | 410 | 650 | 2380 | 1230 | 1160 | 28-36 | 1255 | 1170 | 28-42 | 1320 | 1210 | 28-56 |
| 1200 | 470 | 760 | 2640 | 1455 | 1380 | 32-39 | 1485 | 1390 | 32-48 | 1530 | 1420 | 32-56 |
注:表中尺寸為不帶標準附件數據。另由于產品改進技術創新參數可能有一定變化,請咨詢公司技術部門索取數據。







