

法蘭式船用高壓液壓球閥CJZQ
產品概述 法蘭式船用高壓液壓球閥CJZQ適用于液壓系統管路中,作接通和切斷用,主閥采用***質鍛鋼件,表面進行鍍鉻處理,外表美觀,操作方便,密封性能可靠。 公稱壓力:31.5MPa 試驗壓力:48MPa 工作溫度:-20~+80℃ (如需高溫球閥訂貨時請說明) 適用介質:...
- 產品詳情
產品概述
法蘭式船用高壓液壓球閥CJZQ適用于液壓系統管路中,作接通和切斷用,主閥采用鍛鋼件,表面進行鍍鉻處理,外表美觀,操作方便,密封性能可靠。
公稱壓力:31.5MPa
試驗壓力:48MPa
工作溫度:-20~+80℃ (如需高溫球閥訂貨時請說明)
適用介質:礦物油、水、乙二醇、其它混合液體
主要零部件材質
法蘭式船用高壓液壓球閥CJZQ適用于液壓系統管路中,作接通和切斷用,主閥采用鍛鋼件,表面進行鍍鉻處理,外表美觀,操作方便,密封性能可靠。
公稱壓力:31.5MPa
試驗壓力:48MPa
工作溫度:-20~+80℃ (如需高溫球閥訂貨時請說明)
適用介質:礦物油、水、乙二醇、其它混合液體
主要零部件材質
| 零件名稱 | 閥主體 | 連接體 | 球 | 閥桿 | 密封圈 | O形圈 |
| 材料 | 35 | 35 | 2Cr13 | 2Cr13 | 尼龍1010 | I-4 |
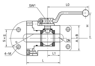
主要外形連接尺寸

| 型號(DN) | L | L1 | S×S | A×B | 4一M | D | H | L0 |
| CJZQ-H10F | 88 | 37 | 28.3×28.3 | 56×56 | M8 | 65 | 120 | |
| CJZQ-H15F | 91 | 37 | 35.3×35.3 | 65×65 | M8 | 71 | 120 | |
| CJZQ-H20F | 97 | 39 | 43.8×43.8 | 75×75 | M10 | 75 | 140 | |
| CJZQ-H25F | 111 | 48 | 51.6×51.6 | 88×88 | M12 | 87 | 185 | |
| CJZQ-H32F | 131 | 54 | 60.1×60.1 | 105×105 | M14 | 100 | 185 | |
| CJZQ-F40F | 160 | 72 | 74×74 | 110×115 | M20 | 145 | 115 | 200 |
| CJZQ-F50F | 170 | 75 | 83.4×83.4 | 120×125 | M20 | 155 | 125 | 250 |
| CJZQ-F65F | 185 | 85 | 96×96 | 135×135 | M22 | 178 | 165 | 350 |
| CJZQ-F80F | 225 | 95 | 113.1×113.1 | 182×182 | M24 | 218 | 178 | 350 |
聲明:本文中所有文字、數據、圖片均只適用于參考,法蘭式船用高壓液壓球閥CJZQ性能參數、結構尺寸參數、價格等詳情,請聯系我們,電話:021-80392609。






