

Q671F型氣動超薄球閥PM10~PN16
產品概述 Q671F型氣動超薄球閥PM10~PN16是氣動球閥中的一種,是新一代超短法蘭距 球閥 ,球芯通道形狀有矩形、V形及O形。氣動閥門具有結構緊湊、體積...
- 產品詳情
產品概述
Q671F型氣動超薄球閥PM10~PN16是氣動球閥中的一種,是新一代超短法蘭距球閥,球芯通道形狀有矩形、V形及O形。氣動閥門具有結構緊湊、體積小、重量輕、安裝方便等特點。閥門可廣泛應用在石油、化工、冶金、電站、輕工等領域,對油、水、氣及紙漿或纖維狀流體進行自動調節或切斷控制。它采用直連方式執行機構連接,具有結構緊湊、尺寸小、重量輕、摩擦阻力小、回差小、動作穩定可靠等***點.氣動球閥由氣動雙活塞齒輪齒條執行器和超短法蘭距球閥組合而成,閥體部分同"1"電動球閥閥體一樣。氣動活塞執行機構分有彈簧式和無彈簧式兩種。故障下要求閥全開或關閉時配有彈簧式(靠彈簧的恢復張力復位),故障下要求保位時,配無彈簧式。它主要由缸體、彈簧、活塞、活塞桿、前后缸蓋、齒條、輸出軸等零部件組成。對兩位開關閥,需配電磁閥以及行程開關等;對比例式調節閥,需配定位器。主要零件材質
| 零件名稱 | 材質 | ||
|---|---|---|---|
| C | P | R | |
| 閥蓋 | WCB | ZG1Cr18Ni9Ti | ZG1Cr18Ni12M02Ti |
| 墊片 | PTFE | PTFE | PTFE |
| 閥座 | PTFE | PTFE | PTFE |
| 球 | 1Cr18Ni9Ti | 1Cr18Ni9Ti | 1Cr18Ni9Ti |
| 閥座 | PTFE | PTFE | PTFE |
| 閥體 | WCB | ZG1Cr18Ni9Ti | ZG1Cr18Ni12M02Ti |
| 螺栓 | 35 | 1Cr18Ni9Ti | 1Cr18Ni12M02Ti |
| 閥桿 | 1Cr13 | 1Cr18Ni9Ti | 1Cr18Ni12M02Ti |
| 墊片 | PTFE | PTFE | PTFE |
| 填料 | PTFE | PTFE | PTFE |
| 襯套 | PTFE | PTFE | PTFE |
| 彈墊 | WCB | ZG1Cr18Ni9Ti | ZG1Cr18Ni12M02Ti |
| 墊片 | 35 | 1Cr18Ni9Ti | 1Cr18Ni9Ti |
| 螺母 | 35 | 1Cr18Ni9TI | 1Cr18Ni9Ti |
| 連接支架 | 1Cr18Ni9Ti | 1Cr18Ni9Ti | 1Cr18Ni9Ti |
| 螺栓 | 35 | 1Cr18Ni9Ti | 1Cr18Ni9Ti |
| 連接套 | 35 | 1Cr18Ni9Ti | 1Cr18Ni9Ti |
| 位置指示器 | |||
| 塑料 | 塑料 | 塑料 | |
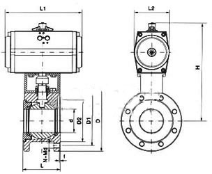
主要結構連接尺寸
| 公稱通徑DN | 外形尺寸 | 連接尺寸 | 執行器型號 | ||||||||
|---|---|---|---|---|---|---|---|---|---|---|---|
| d | L | L1 | L2 | H | D | D1 | D2 | f | N-Md | ||
| 15 | 14 | 35 | 140/178 | 62/75 | 170/176 | 90 | 65 | 45 | 2 | 4-M14 | GTD52/GTE65 |
| 20 | 19 | 38 | 140/178 | 62/75 | 175/181 | 100 | 75 | 55 | 2 | 4-M14 | GTD52/GTE65 |
| 25 | 25 | 42 | 140/214 | 62/91 | 180/214 | 110 | 85 | 65 | 2 | 4-M14 | GTD52/GTE80 |
| 32 | 29 | 50 | 164/214 | 75/91 | 215/243 | 130 | 1OO | 78 | 3 | 4-M18 | GTD65/GTE80 |
| 40 | 38 | 60 | 164/246 | 75/101 | 225/263 | 145 | 110 | 85 | 3 | 4-M18 | GTD65/GTE90 |
| 50 | 48 | 70 | 190/295 | 91/112 | 248/274 | 160 | 125 | 100 | 3 | 4-M18 | GTD80/GTE100 |
| 65 | 64 | 95 | 210/295 | 101/112 | 258/284 | 180 | 145 | 120 | 3 | 4/8-M18 | GTD90/GTE100 |
| 80 | 76 | 118 | 247/395 | 112/139 | 300/326 | 190 | 160 | 135 | 3 | 8-M18 | GTD100/GTE125 |
| 100 | 95 | 140 | 276/478 | 127/176 | 315/370 | 215/230 | 180/190 | 155/160 | 3 | 8-M18/20 | GTD115/GTE160 |
| 125 | 12/118 | 175/195 | 348/562 | 159/206 | 375/440 | 245/270 | 210/220 | 185/188 | 3 | 8-M18/24 | GTD140/GTE190 |
| 150 | 35/15C | 210/260 | 378/724 | 176/228 | 428/500 | 280/300 | 240/250 | 21O/218 | 3 | 8-M22/24 | GTD160/GTE210 |
產品外形結構尺寸圖:

氣動球閥的維護:
氣動球閥在安裝前的準備工作:1、保證氣動管路球閥安裝位置管線在同軸位置上,管線上兩片法蘭應保持平行,確認管線能夠承受氣動管路球閥自身重量,如果發現管線不能承受氣動管路球閥重量,則在安裝前為管線配備相應的支撐。
2、確認管線內是否有雜質、焊渣等,要把管線內吹掃干凈。
3、核對氣動管路球閥銘牌,并對氣動管路球閥進行全開全閉數次操作,確認閥門能夠正常工作,再檢查一次閥門的各個細節,保證閥門完好無損。
4、除去閥門兩端的保護蓋,檢查閥體內是否干凈,清洗閥體內腔,由于氣動管路球閥的密封面是球形狀,即使微小的雜物也可能造成密封面的損傷。
氣動管路球閥的安裝:
1、氣動管路球閥的任何一段都可安裝在上游端,手柄氣動管路球閥可以安裝在管線的任何位置,如果配置執行機構(如齒輪箱、電-氣動執行器)的氣動管路球閥,則垂直安裝,閥門進出口處在水平位置上。
2、氣動管路球閥法蘭與管線法蘭間按管路設計要求裝上密封墊。
3、法蘭上的螺栓需對稱、逐次、均勻擰緊。
4、如果氣動管路球閥采取氣動、電動等執行器時,按說明書完成氣源、電源的安裝。
氣動管路球閥安裝后的檢查:
1、安裝完畢后,啟動氣動管路球閥開、關數次,應該動作靈活,受力均勻,氣動管路球閥工作正常。
2、根據管道壓力設計要求,通壓后檢測氣動管路球閥與管道法蘭結合面的密封性能。
聲明:本文中所有文字、數據、圖片均只適用于參考,Q671F型氣動超薄球閥PM10~PN16性能參數、結構尺寸參數、價格等詳情,請聯系我們,電話:021-80392609。






