

ZSJTQ氣動切斷三通球閥
產品概述 ZSJTQ氣動切斷三通球閥是由氣動執行機構和三通球閥組成,是一種旋轉類切斷調節閥門,具有關閉嚴密,結構緊湊,重量輕,維修方便等***點。廣泛用于氣體、液體、蒸汽、油品等腐蝕性介質的管道自動化控制中。兩閥座密封三通球閥具有結構緊湊、外型美觀...
- 產品詳情
產品概述
ZSJTQ氣動切斷三通球閥是由氣動執行機構和三通球閥組成,是一種旋轉類切斷調節閥門,具有關閉嚴密,結構緊湊,重量輕,維修方便等***點。廣泛用于氣體、液體、蒸汽、油品等腐蝕性介質的管道自動化控制中。兩閥座密封三通球閥具有結構緊湊、外型美觀、密封性能好。它能實現對管道中介質流向的切換。也能使相互垂直的兩個通道連通或關閉。四閥座密封三通球閥具有造型美觀、結構緊湊合理,它不僅可實現介質流向的切換,也可使三個通道相互連通,現時也可關閉任一通道,使另外兩個通道連通,靈活控制管路中介質的合流或分流。主要技術參數
| 本體部分 | |
|---|---|
| 閥體形式 | 直通鑄造三通閥 |
| 閥體材質 | ZG230-450 ZG1Cr18Ni9Ti |
| 公稱通徑 | DN15-DN300 |
| 公稱壓力 |
PN1.6 2.5 4.0 6.4MPa ANSI 150 300LB JIS 10K 20K 30K |
| 連接形式 | 法蘭 FF RF RTJ 等 |
| 結構長度 | 符合IEC534 |
| 閥蓋形式 | 一體式 |
| 填料 | 聚四氟乙烯 柔性石墨等 |
| 密封墊 | 金屬夾石墨密封墊 四氟乙烯墊等 |
| 閥內部件 | |
| 閥芯型式 | O型三通球芯 |
| 流量特性 | 近似快開型 |
| 內件材質 | 標準材質組合及使用溫度、壓力請參閱附表 |
| 執行機構 | |
| 氣動 | 活塞式氣動執行機構 |
| 單作用 | 氣—開(彈簧復位) |
| 雙作用 |
氣—開/氣—關 |
主要零件材料及內部結構

| 本體材質為碳鋼 | ||||
| 1 | 閥體 | WCB | LCB | WC9 |
| 2 | 密封圈 | PTFE/PPL | ||
| 3 | 墊片 | PTFE/金屬石墨纏繞墊片 | ||
| 4 | 球 | 根據實際工況而定 | ||
| 5 | 填料 | PTFE/石墨 | ||
| 6 | 閥桿 | 2Cr13 | 2Cr13 | 2Cr13 |
| 7 | 填料壓蓋 | WCB | LCB | WC9 |
| 本體材質為不銹鋼 | ||||
| 1 | 閥體 | CF8 | CF8M | CF3M |
| 2 | 密封圈 | PTFE/PPL | ||
| 3 | 墊片 | PTFE/金屬石墨纏繞墊片 | ||
| 4 | 球 | 根據實際工況而定 | ||
| 5 | 填料 | PTFE/石墨 | ||
| 6 | 閥桿 | 304 | 316 | 316L |
| 7 | 填料壓蓋 | CF8 | CF8M | CF3M |
三通球閥介質流向原理

執行標準
1. 設計和制造:GB/T12237-1989; APl6082.檢驗和試驗:GB/T13927-1992; APl 598
3 法蘭連接:JB/T79]一 2-1994; ASME/ANSI B165
4 結構長度:JD-2002
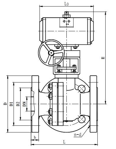
外形安裝尺寸
|
公稱壓力 (MPa) |
公稱通徑 DN(mm) |
尺寸(mm) | |||||||
| D | D1 | D2 | L | H | L0 | b | n-d | ||
| 1.6 | 25 | 115 | 85 | 65 | 160 | 199 | 164 | 16 | 4-φ14 |
| 32 | 140 | 100 | 76 | 180 | 240 | 190 | 18 | 4-φ18 | |
| 40 | 150 | 110 | 84 | 200 | 255 | 210 | 18 | 4-φ18 | |
| 50 | 165 | 125 | 99 | 230 | 286 | 247 | 20 | 4-φ18 | |
| 65 | 185 | 145 | 118 | 290 | 330 | 276 | 20 | 4-φ18 | |
| 80 | 200 | 160 | 132 | 310 | 349 | 308 | 20 | 4-φ18 | |
| 100 | 220 | 160 | 156 | 350 | 421 | 348 | 22 | 8-φ18 | |
| 125 | 250 | 210 | 184 | 400 | 485 | 432 | 22 | 8-φ18 | |
| 150 | 285 | 240 | 211 | 480 | 582 | 524 | 24 | 8-φ22 | |
| 2.5 | 25 | 115 | 85 | 65 | 160 | 199 | 164 | 16 | 4-φ14 |
| 32 | 140 | 100 | 76 | 180 | 240 | 190 | 18 | 4-φ18 | |
| 40 | 150 | 110 | 84 | 200 | 255 | 210 | 18 | 4-φ18 | |
| 50 | 165 | 125 | 99 | 230 | 286 | 247 | 20 | 4-φ18 | |
| 65 | 185 | 145 | 118 | 290 | 330 | 276 | 22 | 8-φ18 | |
| 80 | 200 | 160 | 132 | 310 | 349 | 308 | 24 | 8-φ18 | |
| 100 | 235 | 190 | 156 | 350 | 421 | 348 | 24 | 8-φ22 | |
| 125 | 270 | 220 | 184 | 400 | 485 | 432 | 26 | 8-φ26 | |
| 150 | 300 | 250 | 211 | 480 | 582 | 524 | 28 | 8-φ26 | |
產品外形結構尺寸圖


聲明:本文中所有文字、數據、圖片均只適用于參考,ZSJTQ氣動切斷三通球閥性能參數、結構尺寸參數、價格等詳情,請聯系我們,電話:021-80392609。
-

不銹鋼電動調節針閥 高精度小口徑小流量 高壓智能防爆
參數 名稱: 調節型電動針型閥 電壓: 24V/220V/380V 公稱通徑: DN8mm-DN20 ; 公稱壓力:...
-

GHJ991W-16P電動針型調節閥 不銹鋼卡套連接信號輸
*** 滬工恒 公稱直徑 6cm 數量 560個 是否支持加工定制 是 是否進口 否 包裝規格 DN6 ...
-

微型電動球閥 不銹鋼內螺紋 絲扣微型閥 小型調節球形
*** 滬工恒 公稱直徑 15cm 數量 450個 是否支持加工定制 是 是否進口 否 包裝規格 DN1...
-

GHY43F衛生級快裝式減壓閥 不銹鋼卡盤卡箍卡套閥
*** 滬工恒 數量 580個 是否支持加工定制 是 是否進口 否 包裝規格 DN40-DN50 產地 蘇...


