

PZ573X、PZ573F、PZ573H、PZ573Y、型傘齒輪刀型閘閥(凸耳式刀型
pz573h傘齒輪刀型閘閥,pz573h傘齒輪刀型閘閥型號,pz573h傘齒輪刀型閘閥廠家,pz573h傘齒輪刀型閘閥價格,pz573h傘齒輪刀型閘閥圖片,PZ573X/PZ573F/PZ573H/PZ573Y型傘齒輪刀型閘閥(凸耳式)為傘齒輪驅動,操作輕松靈活,常用于較大口徑或較高壓力場合人工手動操...
產品型號:PZ573X/PZ573F/PZ573H/PZ573Y
產品口徑(DN):50~600(mm)
產品壓力(PN):0.6~1.6(Mpa)
更新日期:2015-05-20
免費詢價
24小時免費咨詢電話021-80392609
- 產品詳情
產品概述
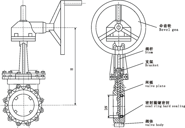
PZ573X/PZ573F/PZ573H/PZ573Y型傘齒輪刀型閘閥(凸耳式)為傘齒輪驅動,操作輕松靈活,常用于較大口徑或較高壓力場合人工手動操作,廣泛應用于冶金、電力、煤炭、礦山、水利等行業,是一種應用性強的新型更新替代產品。產品外形結構尺寸
| 公稱通徑 | 50 | 65 | 80 | 100 | 125 | 150 | 200 |
| 高度 | 370 | 400 | 440 | 510 | 580 | 690 | 800 |
| 公稱通徑 | 250 | 300 | 350 | 400 | 450 | 500 | 600 |
| 高度 | 960 | 1200 | 1360 | 1550 | 1700 | 1900 | 2400 |
產品外形結構尺寸圖

刀型閘閥的安裝注意事項
1.刀型閘閥安裝前須檢查閥門腔內和密封面等部位,不允許有污物或砂粒附著;
2.各連接部位螺栓,要求均勻擰緊;
3.檢查填料部位要求壓緊,既保證填料的密封性,也要保證閘板開啟靈活;
4.用戶在安裝閥門前,校對閥門型號,連接尺寸及注意介質流向,保證與閥門要求一致性;
5.用戶在安裝閥門時,預留閥門驅動的必要空間;
6.驅動裝置的接線須按線路圖進行;
7.刀閘閥定期保養,不得隨意碰撞及擠壓,以免影響密封。

聲明:本文中所有文字、數據、圖片均只適用于參考,PZ573X、PZ573F、PZ573H、PZ573Y、型傘齒輪刀型閘閥(凸耳式刀型性能參數、結構尺寸參數、價格等詳情,請聯系我們,電話:021-80392609。
-

GHPZS673H-10Q氣動雙填料密封刀閘閥 雙重密封刀閘閥
一、主要用途和性能: 1、GHPZ刀閘閥適用于粉體、漿液、顆粒、粉塵、污水、礦漿等固態...
-

GHPZ系列雙填料刀閘閥-氣動刀型漿液閥-帶保護罩氣動刀
*** : 滬工恒 型號 : 、GHPZ 連接形式 : 對夾 主體材料 : 不銹鋼 公稱通徑 : 50-1200 ...
-

PZ941H電動排渣閘閥PN16~PN64
產品說明: PZ941H電動排渣閘閥適用于工作壓力 1.6~6.4MPa,工作溫度 0~100℃ 的火力...
-

Z962Y-P54l70v/Z962Y-P54200v高溫高壓電站雙閘板鉻鉬
產品概述 Z962Y-P54l70v Z962Y-P54200v高溫高壓電站雙閘板鉻鉬鋼 電動閘閥 也稱電站專...


