

船用法蘭鑄鐵單排吸入截止閥箱、截止止回閥箱
GB/T1854-1993船用法蘭鑄鐵單排吸入截止閥箱 Marine flanged cast Iron single arrangement suction stop box valves GB/T1855-1993船用法蘭鑄鐵單排吸入截止止回閥箱 Marine flanged cast Iron single arrangement suction stop check box valves 性能規范 T...
產品型號:GB/T1854、GB/T1855
產品口徑(DN):40~250(mm)
產品壓力(PN):0.6Mpa、1.0Mpa(Mpa)
更新日期:2016-04-19
免費詢價
24小時免費咨詢電話021-80392609
- 產品詳情
GB/T1854-1993船用法蘭鑄鐵單排吸入截止閥箱
Marine flanged cast Iron single arrangement suction stop box valves
GB/T1855-1993船用法蘭鑄鐵單排吸入截止止回閥箱
Marine flanged cast Iron single arrangement suction stop check box valves
性能規范 Technical Data
主要零部件材質Materials of Main Parts
Marine flanged cast Iron single arrangement suction stop box valves
GB/T1855-1993船用法蘭鑄鐵單排吸入截止止回閥箱
Marine flanged cast Iron single arrangement suction stop check box valves
性能規范 Technical Data
|
公稱壓力 Nominal Pressure (MPa) |
公稱通徑 Nominal Diameter (mm) |
適用介質 Applicable Medium |
|---|---|---|
| 1.0 | 40/50-150/200 | 海水、淡水 Sea water,Fresh water |
| 0.6 | 200/250-250/300 |
主要零部件材質Materials of Main Parts
|
零件名稱 Parts name |
材料 Material |
|
|---|---|---|
| 名稱Name | 牌號Marks | |
| 閥體、閥蓋Body、Cover | 灰鑄鐵Cast iron | HT200 |
| 閥盤Disc | 鑄錫青銅 Cast Tin Bronze | ZCuSn5Pb5Zn5 |
| 閥座、閥桿Seat、Stem | 鋁青銅 Aluminum Bronze | CuAI9Mn2 |
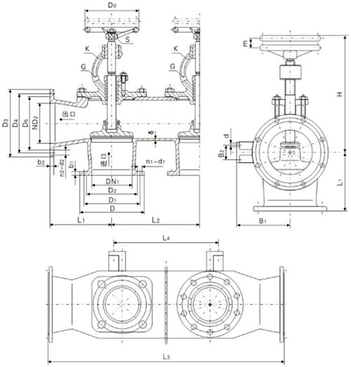
基本尺寸Dimensions

|
公稱 壓力 PN (Mpa) |
公稱通徑 DN(mm) |
結構尺寸 Structure dimension |
法蘭連接尺寸 Connection dimension flange |
手輪 Hand wheel |
升程 Lift range m |
參考重量 Weight (kg) |
|||||||||||||||||||||||
|---|---|---|---|---|---|---|---|---|---|---|---|---|---|---|---|---|---|---|---|---|---|---|---|---|---|---|---|---|---|
| L1 | L2 | L3 | L4 | H | B1 | B2 | d | 進口 Inlet DN1 | 出口 Outlet DN2 |
螺栓 Bolt Th. |
|||||||||||||||||||
| DN1 | DN2 | R型 | S型 | R型 | S型 | 6 | D | D1 | D2 | b1 | n1-d1 | D3 | D4 | D5 | b2 | n2-d2 | Do | S | R型 | S型 | |||||||||
| 1.0 | 40 | 50 | 110 | 160 | 380 | 540 | 210 | 370 | 236 | 95 | 50 | 13 | 8 | 125 | 93 | 74 | 16 | 6-15 | 135 | 103 | 84 | 16 | 6-15 | M14 | 120 | 11 | 12 | 16.1 | 24.4 |
| 50 | 65 | 120 | 180 | 420 | 600 | 230 | 410 | 256 | 100 | 50 | 15 | 8 | 135 | 103 | 84 | 16 | 6-15 | 155 | 123 | 104 | 15 | 6-15 | M14 | 140 | 12 | 14 | 25.2 | 36.0 | |
| 65 | 80 | 130 | 180 | 440 | 620 | 230 | 410 | 277 | 120 | 50 | 15 | 9 | 155 | 123 | 104 | 15 | 6-15 | 170 | 138 | 118 | 15 | 8-15 | M14 | 140 | 12 | 20 | 33.0 | 48.7 | |
| 80 | 100 | 140 | 200 | 480 | 680 | 260 | 460 | 304 | 130 | 60 | 17 | 9 | 170 | 138 | 118 | 15 | 8-15 | 190 | 158 | 138 | 15 | 8-15 | M14 | 160 | 14 | 26 | 40.3 | 60.2 | |
| 100 | 125 | 170 | 230 | 570 | 800 | 290 | 520 | 325 | 150 | 60 | 17 | 10 | 190 | 158 | 138 | 15 | 8-15 | 215 | 183 | 164 | 15 | 10-15 | M14 | 180 | 14 | 36 | 58.8 | 91.0 | |
| 125 | 150 | 200 | 250 | 650 | 900 | 310 | 560 | 366 | 160 | 60 | 17 | 10 | 215 | 183 | 164 | 15 | 10-15 | 240 | 208 | 190 | 16 | 12-15 | M14 | 200 | 17 | 45 | 72.8 | 108.6 | |
| 150 | 200 | 230 | 280 | 740 | 1020 | 340 | 620 | 416 | 175 | 60 | 17 | 11 | 240 | 208 | 190 | 16 | 12-15 | 295 | 264 | 247 | 16 | 12-15 | M14 | 200 | 17 | 58 | 105.7 | 151.6 | |
| 0.6 | 200 | 250 | 280 | 380 | 940 | 1320 | 446 | 826 | 543 | 225 | 80 | 21 | 13 | 295 | 264 | 247 | 16 | 12-15 | 365 | 327 | 306 | 18 | 14-17 | M14 | 360 | 27 | 68 | 211.0 | 318.1 |
| 250 | 300 | 400 | 460 | 1260 | 1720 | 544 | 1004 | 623 | 270 | 80 | 21 | 14 | 365 | 327 | 306 | 18 | 14-17 | 430 | 386 | 360 | 19 | 14-21 | M16 | 360 | 27 | 80 | 305.2 | 461.5 | |
|
公稱 壓力 PN (Mpa) |
公稱通徑 DN(mm) |
結構尺寸 Structure dimension |
法蘭連接尺 Connection dimension flange |
手輪 Hand wheel |
升程 Lift range m |
參考重量 Weight (kg) |
|||||||||||||||||||||||
|---|---|---|---|---|---|---|---|---|---|---|---|---|---|---|---|---|---|---|---|---|---|---|---|---|---|---|---|---|---|
| L1 | l2 | L3 | L4 | H | B1 | B2 | d | 進口 Inlet DN1 | 出口 Outlet DN2 |
螺栓 Bolt Th. |
|||||||||||||||||||
| DN1 | DN2 | RS 型 | SS 型 | RS 型 | SS 型 | D | D1 | D2 | b1 | n-d1 | D3 | D4 | D5 | b2 | n2-d2 | Do | S |
RS 型 |
SS 型 |
||||||||||
| 1.0 | 40 | 50 | 115 | 180 | 410 | 590 | 230 | 410 | 236 | 105 | 50 | 13 | 8 | 150 | 110 | 88 | 18 | 4-18 | 165 | 125 | 102 | 20 | 4-18 | M16 | 120 | 11 | 12 | 20.6 | 30.0 |
| 50 | 65 | 125 | 195 | 445 | 650 | 245 | 440 | 256 | 115 | 50 | 15 | 8 | 165 | 125 | 102 | 20 | 4-18 | 185 | 145 | 122 | 20 | 4-18 | M16 | 140 | 12 | 14 | 31.2 | 44.7 | |
| 65 | 80 | 145 | 215 | 505 | 720 | 265 | 480 | 277 | 135 | 50 | 15 | 9 | 185 | 145 | 122 | 20 | 4-18 | 200 | 160 | 133 | 22 | 8-18 | M16 | 140 | 12 | 20 | 41.2 | 60.3 | |
| 80 | 100 | 155 | 230 | 540 | 770 | 290 | 520 | 304 | 145 | 60 | 17 | 9 | 200 | 160 | 133 | 22 | 8-18 | 220 | 180 | 158 | 24 | 8-18 | M16 | 160 | 14 | 26 | 50.2 | 74.7 | |
| 100 | 125 | 175 | 270 | 620 | 890 | 330 | 600 | 325 | 165 | 60 | 17 | 10 | 220 | 180 | 158 | 24 | 8-18 | 250 | 210 | 184 | 26 | 8-18 | M16 | 180 | 14 | 36 | 71.7 | 110.6 | |
| 125 | 150 | 200 | 290 | 690 | 980 | 350 | 640 | 366 | 180 | 60 | 17 | 10 | 250 | 210 | 184 | 26 | 8-18 | 285 | 240 | 212 | 26 | 8-22 | M16 | 200 | 17 | 45 | 91.1 | 134.7 | |
| 150 | 200 | 225 | 325 | 775 | 1100 | 385 | 710 | 416 | 200 | 60 | 17 | 11 | 285 | 240 | 212 | 26 | 8-22 | 340 | 295 | 268 | 28 | 8-22 | M20 | 200 | 17 | 58 | 125.9 | 182.2 | |
| 0.6 | 200 | 250 | 275 | 380 | 930 | 1310 | 450 | 830 | 543 | 240 | 70 | 21 | 13 | 320 | 280 | 258 | 22 | 8-18 | 375 | 335 | 312 | 24 | 12-18 | M16 | 360 | 27 | 68 | 232.1 | 350.5 |
| 250 | 300 | 325 | 435 | 1080 | 1515 | 505 | 940 | 623 | 280 | 70 | 21 | 14 | 375 | 335 | 312 | 24 | 12-18 | 440 | 395 | 365 | 24 | 12-22 | M16 | 450 | 32 | 80 | 319.5 | 483.0 | |
聲明:本文中所有文字、數據、圖片均只適用于參考,船用法蘭鑄鐵單排吸入截止閥箱、截止止回閥箱性能參數、結構尺寸參數、價格等詳情,請聯系我們,電話:021-80392609。
-

GB/T596-1983船用外螺紋青銅截止止回閥
GB/T596-1983船用外螺紋青銅截止止回閥 Marine bronze male thread stop check valve ...
-

GB/1241-1983船用外螺紋鍛鋼截止止回閥
GB/1241-1983船用外螺紋鍛鋼截止止回閥 Marine forged steel male thread stop check ...
-

船用法蘭鑄鐵單排吸入截止閥箱、截止止回閥箱
GB/T1854-1993船用法蘭鑄鐵單排吸入截止閥箱 Marine flanged cast Iron single arrang...
-

船用法蘭鑄鋼直角式舷側截止止回閥
GB/T1853-1994船用法蘭鑄鋼舷側截止止回閥 Marine flanged cast steel over board sto...


