

D41XP、D341XP法蘭不銹鋼板軟密封蝶閥
產品概述 D41XP、D341XP法蘭不銹鋼板軟密封蝶閥,閥體采用鑄鋼或鑄鐵,閥板采用不銹鋼,閥板可以用304或316等不銹鋼,法蘭連接中心板式蝶閥是新獲得的專利產品,綜合了偏心法蘭 蝶閥 和中線對夾蝶閥的部分***點,填補了偏心法蘭蝶閥與中線對夾蝶閥之間的一塊...
產品型號:D41XP、D341XP
產品口徑(DN):50~1600(mm)
產品壓力(PN):0.6~1.6Mpa(Mpa)
更新日期:2016-04-16
24小時免費咨詢電話021-80392609
- 產品詳情
D41XP、D341XP法蘭不銹鋼板軟密封蝶閥,閥體采用鑄鋼或鑄鐵,閥板采用不銹鋼,閥板可以用304或316等不銹鋼,法蘭連接中心板式蝶閥是獲得的產品,綜合了偏心法蘭蝶閥和中線對夾蝶閥的部分***點,填補了偏心法蘭蝶閥與中線對夾蝶閥之間的一塊空白。本閥啟閉件是一個圓盤形的蝶板,在閥體內繞自身的軸線旋轉,從而達到啟閉或調節作用。
軟密封蝶閥用途及特點
軟密封蝶閥適用于食品、醫藥、化工、石油、電力、冶金、城建、輕紡、造紙等給排水、氣體管道上作調節流量和截流介質的作用,其主要特點為:
1、設計新穎、合理,結構,重量輕,啟閉迅速。
2、操作力矩小,操作方便,省力炅巧。
3、可以任何位置安裝,維修方便。
4、密封件可以更換,密封性能可靠,達到雙向密封零泄漏。
5、密封材料耐老化,耐腐蝕,使用壽命長等特點。
6、結構簡單,通用互換性好,價格低廉。
7、閥桿密封不易變形從而避免了通常的閥桿泄漏現象。整體支撐性好,穩定、牢固。
8、閥座橡膠用量少,膨脹的潛在影響小,容易將扭矩值控制在適當的范圍內采用兩截式閥桿無銷連接,結構簡單緊湊,維修拆卸極為方便。
9、蝶板具有自動對中功能,實現了蝶板與閥座小過盈合量配合。酚醛靠背座具有不脫落、抗拉、防泄漏、更換方便等特點。由于閥座密封面與靠背為一體,從而減小了閥座的變形量。
主要零部件材料
閥體:304、316L 蝶板:304、316L
閥座:天然橡膠(NR)-20~+85℃、乙丙橡膠(EPDM)-40~+125℃、丁腈橡膠(NBR)-20~+82℃、聚四氟乙烯塑料(PTFE)+10~+150℃
閥桿:不銹鋼、 2Cr13
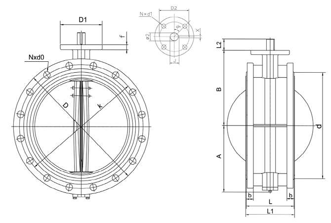
產品外形及結構尺寸

| DN | A | B | b | f | D | K | d | F | N*d0 | L | L1 | D1 | D2 | N-d1 | a° | J | X | L2 | Φ2 | 重量kg |
| 50 | 83 | 120 | 19 | 3 | 165 | 125 | 99 | 13 | 4*Φ19 | 108 | 111 | 65 | 50 | 4-Φ7 | 45 | 13.8 | 3 | 32 | 12.6 | 7.6 |
| 65 | 93 | 130 | 19 | 3 | 185 | 145 | 118 | 13 | 4*Φ19 | 112 | 115 | 65 | 50 | 4-Φ7 | 45 | 13.8 | 3 | 32 | 12.6 | 9.7 |
| 80 | 100 | 145 | 19 | 3 | 200 | 160 | 132 | 13 | 8*Φ19 | 114 | 117 | 65 | 50 | 4-Φ7 | 45 | 13.8 | 3 | 32 | 12.6 | 10.6 |
| 100 | 114 | 155 | 19 | 3 | 220 | 180 | 156 | 13 | 8*Φ19 | 127 | 130 | 90 | 70 | 4-Φ10 | 45 | 17.77 | 5 | 32 | 15.77 | 13.8 |
| 125 | 125 | 170 | 19 | 3 | 250 | 210 | 184 | 13 | 8*Φ19 | 140 | 143 | 90 | 70 | 4-Φ10 | 45 | 20.92 | 5 | 32 | 18.92 | 18.2 |
| 150 | 143 | 190 | 19 | 3 | 285 | 240 | 211 | 13 | 8*Φ23 | 140 | 143 | 90 | 70 | 4-Φ10 | 45 | 20.92 | 5 | 32 | 18.92 | 21.7 |
| 200 | 170 | 205 | 20 | 3 | 340 | 295 | 266 | 13 | 12*Φ23 | 152 | 155 | 125 | 102 | 4-Φ12 | 45 | 24.1 | 5 | 45 | 22.1 | 31.8 |
| 250 | 198 | 235 | 22 | 3 | 405 | 355 | 319 | 13 | 12*Φ28 | 165 | 168 | 125 | 102 | 4-Φ12 | 45 | 31.45 | 8 | 45 | 28.45 | 44.7 |
| 300 | 223 | 280 | 24.5 | 4 | 460 | 410 | 370 | 20 | 12*Φ28 | 178 | 182 | 125 | 102 | 4-Φ12 | 45 | 34.6 | 8 | 45 | 31.6 | 59 |
| 350 | 270 | 310 | 26.5 | 4 | 520 | 470 | 429 | 20 | 16*Φ28 | 190 | 194 | 150 | 125 | 4-Φ14 | 45 | 36.15 | 10 | 45 | 33.15 | 86 |
| 400 | 300 | 340 | 28 | 4 | 580 | 525 | 480 | 20 | 16*Φ31 | 216 | 221 | 175 | 140 | 4-Φ18 | 45 | 40.95 | 10 | 51 | 37.95 | 119 |
| 450 | 340 | 375 | 30 | 4 | 640 | 585 | 530 | 20 | 20*Φ31 | 222 | 227 | 175 | 140 | 4-Φ18 | 45 | 45.96 | 12 | 51 | 42.86 | 165 |
| 500 | 355 | 430 | 31.5 | 4 | 715 | 650 | 582 | 22 | 20*Φ34 | 229 | 234 | 210 | 165 | 4-Φ22 | 45 | 49.22 | 14 | 57 | 45.72 | 185 |
| 600 | 410 | 500 | 36 | 5 | 840 | 770 | 682 | 22 | 20*Φ37 | 267 | 272 | 300 | 254 | 8-Φ18 | 22.5 | 57.98 | 15 | 70 | 53.98 | 263 |
| 700 | 478 | 560 | 39.5 | 5 | 910 | 840 | 794 | 30 | 24*Φ37 | 292 | 299 | 300 | 254 | 8-Φ18 | 22.5 | 71.35 | 18 | 66 | 63.35 | 361 |
| 800 | 529 | 620 | 43 | 5 | 1025 | 950 | 901 | 30 | 24*Φ41 | 318 | 325 | 350 | 298 | 8-Φ22 | 22.5 | 79 | 20 | 66 | 70 | 484 |
| 900 | 584 | 665 | 46.5 | 5 | 1125 | 1050 | 1001 | 34 | 28*Φ41 | 330 | 337 | 350 | 298 | 8-Φ22 | 22.5 | 90 | 22 | 118 | 80 | 598 |
| 1000 | 657 | 735 | 50 | 5 | 1255 | 1170 | 1112 | 34 | 28*Φ44 | 410 | 417 | 350 | 298 | 8-Φ22 | 22.5 | 100 | 25 | 142 | 90 | 824 |
| 1200 | 799 | 917 | 57 | 5 | 1485 | 1380 | 1328 | 34 | 32*Φ50 | 470 | 478 | 415 | 356 | 8-Φ33 |
蝶閥所適用的場合
蝶閥適用于流量調節。由于蝶閥在管路中的壓力損失比較大,大約是閘閥的三倍,因此在選擇蝶閥時,應充分考慮管路系統受壓力損失的影晌,還應考慮關閉時蝶板承受管道介質壓力的堅固性。此外,還考慮在髙溫下彈性閥座材料所承受工作溫度的限制。蝶閥的結構長度和總體高度較小,開啟和關閉速度快,且具有良好的流體控制特性,蝶閥的結構原理適合于制作大口徑閥門。當要求蝶閥作控制流量使用時,重要的是正確選擇蝶閥的尺寸和類型,使之能恰當地、有效地工作。
通常,在節流、調節控制與泥漿介質中,要求結構長度短,啟閉速度快(1/4轉)。低壓截止(壓差小),推薦選用蝶閥。
在雙位調節、縮口的通道、低噪聲、有氣穴和氣化現象,向大氣少量滲漏,具有磨蝕性介質時,可以選用蝶閥。
在特殊工況條件下節流調節,或要求密封嚴格,或磨損嚴重、低溫(深冷)等工況條件下使用蝶閥時,需使用特殊設計金屬密封帶調節裝置的三偏心或雙偏心的專用蝶閥。
中線蝶閥適用于要求達到完全密封、氣體試驗泄漏為零、壽命要求較高、工作溫度在-10~150℃的淡水、污水、海水、鹽水、蒸汽、天然氣、食品、藥品、油品和各種酸臧及其他管路上。
軟密封偏心蝶閥適用于通風除塵管路的雙向啟閉及調節,廣泛用于冶金、輕工、電力、石油化工系統的煤氣管道及水道等。
金屬對金屬線密封雙偏心蝶閥適用于城市供熱、供汽、供水及煤氣、油品、酸堿等管路,作為調節和截流裝置。
金屬對金屬面密封三偏心蝶閥除作為大型變壓吸附(PSA)氣體分離裝置程序控制閥使用外,還可廣泛用于石油、石化、化工、冶金、電力等領域,是閘閥、截止閥等的良好替代產品。
蝶閥的選用原則
(1)由于蝶閥相對于閘閥、球閥壓力損失比較大,故適用于壓力損失要求不嚴的管路系統中。(2)由于蝶閥可以用作流量調節,故在需要進行流童調節的管路中宜于選用。
(3)由于蝶閥的結構和密封材料的限制,不宜用于髙溫、高壓的管路系統。一般工作溫度在300℃以下,公稱壓力在PN40以下。
(4)由于蝶閥結構長度比較短,且又可以做成大口徑,故在結構長度要求短的場合或是大口徑閥門(如DN1000以上),宜選用蝶閥。
(5)由于蝶閥僅旋轉就能開啟或關閉,因此在啟閉要求快的場合宜選用蝶閥。
安裝注事事項:
1、安裝前應核對蝶閥規格、壓力、溫度、耐腐性是否滿足使用要求。 應檢查各零部件是否損壞或松動。
2、本蝶閥可安裝在任意角度的管道上,應關閉安裝為宜;焊接管道法蘭時應將閥門密封口用板擋住以防止顆粒、雜物挫傷密封面,焊后取下 閥門,對閥門密封面及管道內腔進行清潔,然后再安裝固定閥門。
3、安裝時請注意閥門關閉狀態承壓方向。
4、安裝前應將密封面(兩端密封面、蝶板密封面、閥座密封面)徹底擦干凈,去掉灰塵和污物。
5、安裝前應空試蝶閥,啟閉應靈活,啟閉位置與指針指示位置相符合。
6、手動操作順時針為關,逆時針為開,指針指示到位后不準再加力啟閉閥門。
7、閥門做壓力試驗時,不準用單法蘭進行安裝試壓,采用雙法蘭安裝試壓。其試驗壓力應符合GB/T13927-92標準規定。
8、緊固螺栓時應對稱交替進行緊固,不準依次單獨緊固。
9、限位螺釘出廠前,已經調好,不準輕易調整。若配置驅動裝置為電動、氣動請閱配套驅動裝置說明書。
10、電動蝶閥出廠時已將控制機構的啟閉行程調好。為防止電源接通時方向搞錯,用戶在次接通電源前要先手動開啟到半開位置,再按點動開關,檢查指示盤方向與閥門開啟方向一致即可。
11、發現閥門啟閉失常應查明原因進行修理和排除,防止用加力方法開關閥門,造成閥門的損壞。




