

D73H、D43H對夾式硬密封手動蝶閥PN10~PN25
產品說明 : D73H對夾式硬密封手動 蝶閥 PN10~PN25安裝在石油、化工、食品、醫藥、輕紡、造紙、水電、船舶、供排水、冶煉等系統中,在一切具有腐蝕性、非腐蝕性的氣體、液體、半流體及固體粉未管線和容器上作為調節和截流使用,可在任意位置安裝。 產品外形...
產品型號:D73H、D43H
產品口徑(DN):50~150(mm)
產品壓力(PN):1.0~2.5(Mpa)
更新日期:2016-07-05
24小時免費咨詢電話021-80392609
- 產品詳情
D73H對夾式硬密封手動蝶閥PN10~PN25安裝在石油、化工、食品、醫藥、輕紡、造紙、水電、船舶、供排水、冶煉等系統中,在一切具有腐蝕性、非腐蝕性的氣體、液體、半流體及固體粉未管線和容器上作為調節和截流使用,可在任意位置安裝。
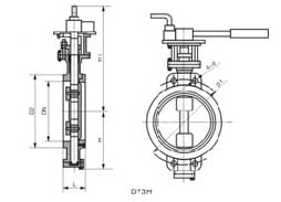
產品外形結構連接尺寸:
| 公稱通徑 | 結構長度標準值 | 外形尺寸(參考值) | 法蘭尺寸和螺栓孔尺寸(標準值) | 參考重量 | |||||||||||
| 1.0MPa | 1.6MPa | 2.5MPa | |||||||||||||
| 毫米 | 英寸 | L2 | H | H1 | D1 | Z-d | a | D1 | Z-d | a | D1 | Z-d | a | ||
| 50 | 2 | 43 | 265 | 330 | 250 | 125 | 4-18 | 90° | 125 | 4-18 | 90° | 125 | 4-18 | 90° | 8 |
| 65 | 21/2 | 46 | 265 | 362 | 267 | 145 | 4-18 | 90° | 145 | 4-18 | 90° | 145 | 4-18 | 90° | 9 |
| 80 | 3 | 49 | 320 | 375 | 275 | 160 | 8-18 | 45° | 160 | 8-18 | 45° | 160 | 8-18 | 45° | 11 |
| 100 | 4 | 56 | 320 | 410 | 295 | 180 | 8-18 | 45° | 180 | 8-18 | 45° | 190 | 8-22 | 45° | 13 |
| 125 | 5 | 64 | 340 | 425 | 305 | 210 | 8-18 | 45° | 210 | 8-18 | 45° | 220 | 8-26 | 45° | 22 |
| 150 | 6 | 70 | 390 | 465 | 320 | 240 | 8-22 | 45° | 240 | 8-22 | 45° | 250 | 8-26 | 45° | 24 |
| 公稱通徑 | 結構長度標準值 | 外形尺寸(參考值) | 法蘭尺寸和螺栓孔尺寸(標準值) | 參考重量 | ||||||||||||||
| 1.0MPa | 1.6MPa | 2.5MPa | ||||||||||||||||
| 毫米 | 英寸 | L | L2 | H | H1 | D | D1 | D2 | n-d | D | D1 | D2 | n-d | D | D1 | D2 | n-d | (kg) |
| 50 | 2 | 108 | 265 | 325 | 240 | 165 | 125 | 99 | 4-18 | 165 | 125 | 99 | 4-18 | 165 | 125 | 99 | 4-18 | 14 |
| 65 | 21/2 | 112 | 265 | 340 | 250 | 185 | 145 | 118 | 4-18 | 185 | 145 | 118 | 4-18 | 185 | 145 | 118 | 4-18 | 17 |
| 80 | 3 | 114 | 320 | 355 | 255 | 200 | 160 | 132 | 8-18 | 200 | 160 | 132 | 8-18 | 200 | 160 | 132 | 8-18 | 20 |
| 100 | 4 | 127 | 320 | 400 | 275 | 220 | 180 | 156 | 8-18 | 220 | 180 | 156 | 8-18 | 235 | 190 | 156 | 8-22 | 22 |
| 125 | 5 | 140 | 340 | 435 | 300 | 250 | 210 | 184 | 8-18 | 250 | 210 | 184 | 8-18 | 270 | 220 | 184 | 8-26 | 37 |
| 150 | 6 | 140 | 390 | 455 | 310 | 285 | 240 | 211 | 8-22 | 285 | 240 | 211 | 8-22 | 300 | 250 | 211 | 8-26 | 43 |
產品外形結構圖:

安裝注事事項:
1、安裝前應核對蝶閥規格、壓力、溫度、耐腐性是否滿足使用要求。 應檢查各零部件是否損壞或松動。
2、本蝶閥可安裝在任意角度的管道上,應關閉安裝為宜;焊接管道法蘭時應將閥門密封口用板擋住以防止顆粒、雜物挫傷密封面,焊后取下 閥門,對閥門密封面及管道內腔進行清潔,然后再安裝固定閥門。
3、安裝時請注意閥門關閉狀態承壓方向。
4、安裝前應將密封面(兩端密封面、蝶板密封面、閥座密封面)徹底擦干凈,去掉灰塵和污物。
5、安裝前應空試蝶閥,啟閉應靈活,啟閉位置與指針指示位置相符合。
6、手動操作順時針為關,逆時針為開,指針指示到位后不準再加力啟閉閥門。
7、閥門做壓力試驗時,不準用單法蘭進行安裝試壓,采用雙法蘭安裝試壓。其試驗壓力應符合GB/T13927-92標準規定。
8、緊固螺栓時應對稱交替進行緊固,不準依次單獨緊固。
9、限位螺釘出廠前,已經調好,不準輕易調整。若配置驅動裝置為電動、氣動請閱配套驅動裝置說明書。
10、電動蝶閥出廠時已將控制機構的啟閉行程調好。為防止電源接通時方向搞錯,用戶在次接通電源前要先手動開啟到半開位置,再按點動開關,檢查指示盤方向與閥門開啟方向一致即可。
11、發現閥門啟閉失常應查明原因進行修理和排除,防止用加力方法開關閥門,造成閥門的損壞。





