

船用外螺紋重塊式快關閥
GB1850-1984船用外螺紋重塊式快關閥 Marine male threaded weight qick-closing valve 性能規范 Technical Data 船用外螺紋重塊式快關 閥 性能規范 公稱壓力 Nominal Pressure (MPa) 公稱通徑 Nominal Diameter (mm) 適用介質 Applicable medium 2.5 10-32 燃...
產品型號:GB1850-1984
產品口徑(DN):10~32(mm)
產品壓力(PN):2.5Mpa(Mpa)
更新日期:2016-06-30
免費詢價
24小時免費咨詢電話021-80392609
- 產品詳情
GB1850-1984船用外螺紋重塊式快關閥
Marine male threaded weight qick-closing valve
性能規范 Technical Data
主要零部件材質Materials of Main Parts
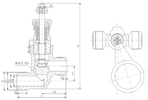
AS型、BS型基本尺寸Dimensions
Marine male threaded weight qick-closing valve
性能規范 Technical Data
|
公稱壓力 Nominal Pressure (MPa) |
公稱通徑 Nominal Diameter (mm) |
適用介質 Applicable medium |
| 2.5 | 10-32 | 燃油 Fuel oil |
主要零部件材質Materials of Main Parts
|
零件名稱 Parts name |
材料 Material |
|
| 名稱Name | 牌號Marks | |
| 閥體、閥蓋Body、Cover | 碳素鋼 Carbon steel | Q235-A |
| 閥盤Disc | 碳素鋼 Good-quality carbon steel | 鋼45 |
| 閥桿Stem | 不繡鋼 Stainless steel | 2Cr13 |
| 手柄Handle | 球墨鑄鐵 Nodular cast Iron | QT400-18 |
AS型、BS型基本尺寸Dimensions
|
公稱通徑 DN(mm) |
結構尺寸 Structure dimension |
螺紋接頭 Thread joint |
扳手尺寸 wrencn sizo S1 |
重塊手柄 Weight handle |
升程 Lift range m≈ |
參考重量 Weight (kg) |
|||||||||
| L | H≈ | H1 | D | D1 | D2 | 1 | l1 | Lo | S2 | a°≈ | 3°≈ | ||||
| 10 | 94 | 115 | 16 | M27x1.5 | 24.8 | 14 | 16 | 3 | 30 | 98 | 8 | 150 | 20 | 5 | 1.35 |
| 15 | 110 | 141 | 25 | M36x2 | 33 | 22 | 22 | 5 | 32 | 100 | 8 | 150 | 20 | 5 | 2.32 |
| 20 | 116 | 146 | 32 | M39x2 | 36 | 25 | 23 | 5 | 36 | 102 | 9 | 144 | 26 | 6 | 2.67 |
| 25 | 130 | 157 | 38 | M48x2 | 45 | 32 | 26 | 6 | 46 | 105 | 11 | 126 | 30 | 7 | 3.28 |
| 32 | 140 | 184 | 46 | M56x2 | 53 | 38 | 28 | 6 | 46 | 108 | 12 | 144 | 26 | 8 | 4.90 |
聲明:本文中所有文字、數據、圖片均只適用于參考,船用外螺紋重塊式快關閥性能參數、結構尺寸參數、價格等詳情,請聯系我們,電話:021-80392609。




