

GW-ZJHP氣動高溫調節閥
GW-ZJHP 氣動高溫調節閥概述: GW-ZJHP 氣動高溫調節閥 采用高溫散熱設計,加高的上閥蓋與散熱片結構,保障執行器與電氣閥定位器的工作使用安全,采用頂導向 單閥座調節閥 ,具有結構簡單、密封性能好、流量大、使用可靠等特點。有效而足夠的頂部導向系統克...
產品型號:GWZJHP
產品口徑(DN):DN20-DN200(mm)
產品壓力(PN):0.6-6.4(Mpa)
更新日期:2021-03-31
24小時免費咨詢電話021-80392609
- 產品詳情
GW-ZJHP 氣動高溫調節閥概述:
GW-ZJHP 氣動高溫調節閥采用高溫散熱設計,加高的上閥蓋與散熱片結構,保障執行器與電氣閥定位器的工作使用安全,采用頂導向單閥座調節閥,具有結構簡單、密封性能好、流量大、使用可靠等特點。有效而足夠的頂部導向系統克服小開度時的震動,有效使用壽命更長。可選擇多彈簧氣動簿膜機構或電動執行機構等。
GW-ZJHP 氣動高溫調節閥由氣動多彈簧薄膜執行機構和低流阻單座閥組成,新型執行機構高底低、重量輕、裝校簡便,新型閥體結構緊湊、流道通暢,具有大的流量系數。
氣動薄膜調節閥操作穩定,具有動作特性可靠,精確的流量特性,可調范圍大等***點。在廣泛應用中取得高質量的控制效果。
GW-ZJHP氣動高溫調節閥技術參數及性能:
閥體部分:| 閥體型式: | 直通鑄造球型閥 |
| 公稱通徑: | DN20 、25 、32 、40 、50 、65 、80 、100 、200 |
| 公稱壓力: | PN 1.6、2.5、4.0、6.4、10.0Mpa |
| ANSI 150、300、 600Lb | |
| JIS 10K、20K、30K、40K | |
| 連接方式: | 法蘭:FF、RF、RTJ、等 |
| 螺紋:(適用于 1”以下) | |
| 焊接:SW、BW | |
| 法蘭距: | 符合IEC 534 |
| 閥蓋形式: | 標準型、加長型(散熱、低溫、波紋管密封) |
| 填 料: | V型聚四氟乙烯、柔性石墨填料等 |
| 密封墊: | 金屬夾石墨密封墊、聚四氟乙烯墊 |
| 執行機構: | 氣動:多彈簧執行機構 、單彈簧執行機構 |
| 電動:3810L系列 、PSL系列 |
| 閥芯型式: | 單座柱塞 |
| 流量特性: | 等百分比、線性 、快開 |
| 內件材質: | 標準材質組合及使用溫度、壓力范圍請參閱附錄 |
| 閥體 | 型式 | 直通 | 閥蓋 | 型式 | 標準、加長型 |
| 材質 | WCB、WC9、304、316等 | 材質 | WCB、WC9、304、316等 | ||
| 閥芯 | 特性 | 直線、等百分比、快開 | 填料 | “V”型PTFE、柔性石墨、波紋管 | |
| 材質 | 304、304+STL/PTFE、316、316+STL/PTFE | ||||
| 執行器 | 氣動:見表8 | ||||
| 電動:見表7 | |||||
| 定位器 | 電氣閥門定位器、智能型數字定位器 | ||||
| 附件 | 電磁閥、閥位反饋器、手操機構、保位閥、空氣過濾減壓器等 | ||||
ZJHP 氣動高溫調節閥 材料及內部結構
表2.本體材質為碳鋼
|
![]() |
||||||||||||||||||||||||||||||||||||||||||||||||||||||||||||||||||||||||||||||||||||||||||||||||||||||||||||||||||||||||
1、以上為標準的配置結構,閥座為金屬對金屬,PTFE軟閥座是VI級密封的可選件。還可提供用斯太萊合金涂層的硬化閥內件。針對具體使用溫度,我們有更加合理的螺栓螺母選擇。
2、PTFE V形環閥桿填料是的標準配置也可選用柔性石墨,一個配備石墨填料的加長型閥蓋可用于溫度超過232℃(450華氏溫度)的場合。
3、標準的閥體材料是碳鋼和不銹鋼,還可以提供多種用于高腐蝕性應用場合的合金材料。
氣動高溫調節閥 可提供的控制閥流量特性
|
等百分比特性閥瓣 |
直線特性閥瓣 |
快開特性閥瓣 |
圖1.GW-ZJHP氣動高溫調節閥 等百分比特性曲線


氣動高溫調節閥 ***允許壓差:
表5.多彈簧薄膜式執行機構 單位:Mpa| 氣行機構規格 | 氣源壓力Kpa | 彈簧范圍Kpa | 閥芯尺寸 Inch(mm) | ||||||||||
| 3/420 | 125 | 1 1/432 | 1 1/240 | 250 | 2 1/265 | 380 | 4400 | 5125 | 6150 | 8200 | |||
| ZHB22 | 140 | 20~100 | 1.17 | 0.75 | - | - | - | - | - | - | - | - | - |
| 240 | 40~200 | 2.73 | 1.75 | - | - | - | - | - | - | - | - | - | |
| 300 | 80~240 | 5.85 | 3.75 | - | - | - | - | - | - | - | - | - | |
| ZHB23 | 140 | 20~100 | 1.64 | 1.05 | 0.63 | 0.4 | 0.26 | - | - | - | - | - | - |
| 240 | 40~200 | 3.82 | 2.45 | 1.49 | 0.96 | 0.61 | - | - | - | - | - | - | |
| 300 | 80~240 | 8.19 | 5.24 | 3.19 | 2.05 | 1.31 | - | - | - | - | - | - | |
| ZHB34 | 140 | 20~100 | - | - | 1.02 | 0.66 | 0.42 | 0.24 | 0.16 | 0.10 | - | - | - |
| 240 | 40~200 | - | - | 2.38 | 1.53 | 0.98 | 0.58 | 0.38 | 0.24 | - | - | - | |
| 300 | 80~240 | - | - | 5.12 | 3.28 | 2.10 | 1.24 | 0.82 | 0.52 | - | - | - | |
| ZHB45 | 140 | 20~100 | - | - | - | - | - | 0.40 | 0.26 | 0.17 | 0.11 | 0.07 | 0.02 |
| 240 | 40~200 | - | - | - | - | - | 0.93 | 0.61 | 0.39 | 0.25 | 0.17 | 0.07 | |
| 300 | 80~240 | - | - | - | - | - | 1.98 | 1.32 | 0.84 | 0.54 | 0.37 | 0.16 | |
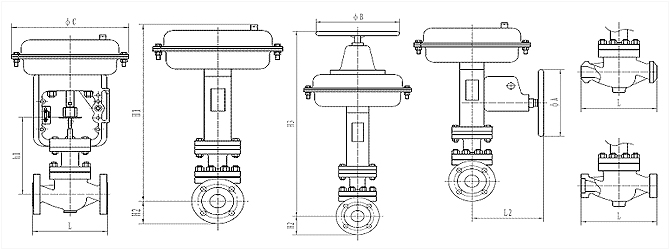
表6-配置ZH系列氣動執行機構控制閥外形尺寸 單位: mm

| 閥門尺寸 | L | H1 | H2 | h1 | H3 | C | B | A | L2 | 執行機構 | ||||||
| inch | mm | ANSI150 PN16、25 | ANSI300 PN40 | ANSI600PN64、100 | ||||||||||||
| 3/4 | 20 | 184 | 7.25 | 184 | 7.25 | 206 | 8.12 | 425 | 53 | 213 | 704 | 288 | 200 | 200 | 289 | ZHB-22 |
| 1 | 25 | 184 | 7.25 | 184 | 7.25 | 210 | 8.25 | 435 | 58 | 218 | 710 | 288 | 200 | 200 | 289 | ZHB-22 |
| 1 1/4 | 32 | 200 | 7.87 | 200 | 7.87 | 251 | 9.88 | 448 | 70 | 231 | 722 | 288 | 200 | 200 | 289 | ZHB-22 |
| 1 1/2 | 40 | 222 | 8.75 | 222 | 8.75 | 251 | 9.88 | 448 | 75 | 231 | 722 | 288 | 200 | 200 | 289 | ZHB-23 |
| 2 | 50 | 254 | 10 | 254 | 10 | 286 | 11.25 | 487 | 83 | 255 | 740 | 288 | 200 | 200 | 289 | ZHB-23 |
| 2 1/2 | 65 | 276 | 10.88 | 276 | 10.88 | 311 | 12.25 | 628 | 93 | 311 | 884 | 360 | 355 | 355 | 347 | ZHB-34 |
| 3 | 80 | 298 | 11.75 | 317 | 12.50 | 337 | 13.25 | 645 | 98 | 328 | 902 | 360 | 355 | 355 | 347 | ZHB-34 |
| 4 | 100 | 352 | 13.88 | 368 | 14.50 | 394 | 15.50 | 656 | 115 | 328 | 913 | 360 | 355 | 355 | 347 | ZHB-34 |
| 5 | 125 | 420 | 16.53 | 400 | 15.75 | 500 | 19.69 | 806 | 125 | 389 | 1274 | 470 | 570 | 570 | 476 | ZHB-45 |
| 6 | 150 | 451 | 17.75 | 473 | 18.62 | 508 | 20.00 | 857 | 143 | 440 | 1325 | 470 | 570 | 570 | 476 | ZHB-45 |
| 8 | 200 | 600 | 21.38 | 568 | 22.38 | 610 | 24 | 926 | 180 | 514 | 1394 | 470 | 570 | 570 | 476 | ZHB-45 |









