

ZJSM氣動薄膜套筒調節閥、壓力平衡調節閥
產品概述 ZJSM氣動薄膜套筒調節閥是一種壓力平衡型調節閥,采用 套筒導向,壓力平衡型雙密封面閥芯機構,配用多彈簧氣動 執行機構或電動執行機構。流道呈 S 流線性,整體具有工作 平衡、允許壓差大、流量特性精確、噪音低等特點。特別適 用于流量大,閥前后...
- 產品詳情
產品概述
ZJSM氣動薄膜套筒調節閥是一種壓力平衡型調節閥,采用 套筒導向,壓力平衡型雙密封面閥芯機構,配用多彈簧氣動 執行機構或電動執行機構。流道呈 S 流線性,整體具有工作 平衡、允許壓差大、流量特性精確、噪音低等特點。特別適 用于流量大,閥前后壓差較大、泄露要求不搞的場合。本系列產品有常溫型、高溫型、低溫型、調節切斷型、 波紋管密封型等多種形式。產品公稱壓力等級有 PN1.6、4.0、6.4、10.0;閥體口徑范圍 DN20-300,適用流體溫度-196-+560℃范圍內多種檔次。泄露等級有Ⅳ級、Ⅴ級、Ⅵ級。流 量特性有直線、等百分比特性。多種品種規格可供選擇。
本系列調節閥采用模塊化設計,可采用不同組合、配用各種附件。
主要技術參數
| 閥體部分 | |
|---|---|
| 閥體形式 | 直通鑄造球型閥 |
| 閥體材質 | ZG230-450 ZG1Cr18Ni9 |
| 公稱通徑 | DN20-DN300 |
| 公稱壓力 |
PN1.6 2.5 4.0 6.4 10.0MPa ANSI 150 300 600LB JIS 10K 20K 30K 40K |
| 連接形式 | 法蘭:FF RF RTJ等 螺紋:適用于 1”以下 焊接:SW BW |
| 結構長度 | 符合 IEC534 |
| 閥蓋型式 | 常溫型 高溫型 波紋管密封型 低溫型 |
| 填料 | 聚四氟乙烯 柔性石墨等 |
| 密封墊 | 金屬夾石墨密封墊 四氟乙烯墊等 閥內部件 |
| 閥芯型式 | 單座柱塞型 |
| 流量特性 | 線性 等百分比 |
| 內件材質 | 1Cr18Ni9Ti 1Cr18Ni9Ti+PTFE |
| 執行機構 | |
| 氣動 | 多彈簧式執行機構 單彈簧式執行機構 |
| 作用方式 | 氣開式 氣關式 |
| 電動 | 3810L系列 |
主要零件材料及內部結構

| 本體材質為碳鋼 | ||||
|---|---|---|---|---|
| 1 | 閥體 | WCB | LCB | WC9 |
| 2 | 閥座 | 304 | 304 | 304 |
| 3 | 閥芯 | 304 | 304 | 304 |
| 4 | 導向套 | 304 | 304 | 304 |
| 5 | 閥蓋 | WCB | LCB | WC9 |
| 6 | 閥桿 | 304 | 304 | 304 |
| 7 | 填料 | PTFE/柔性石墨 | ||
| 8 | 彈簧 | 65Mn | ||
| 9 | 螺母 | 304 | 304 | 304 |
| 本體材質為不銹鋼 | ||||
| 1 | 閥體 | CF8 | CF8M | CF3M |
| 2 | 閥座 | 304 | 316 | 316L |
| 3 | 閥芯 | 304 | 316 | 316L |
| 4 | 導向套 | 304 | 316 | 316L |
| 5 | 閥蓋 | CF8 | CF8M | CF3M |
| 6 | 閥桿 | 304 | 316 | 316L |
| 7 | 填料 | PTFE/柔性石墨 | ||
| 8 | 彈簧 | 65Mn | ||
| 9 | 螺母 | 304 | 316 | 316L |
閥蓋型式

氣動調節閥規格與技術參數
| 公稱通徑 DN(mm) | 20 | 25 | 32 | 40 | 50 | 65 | 80 | 100 | 125 | 150 | 200 | |
|
額定流量 系數 KV |
直線 | 6.9 | 11 | 17.6 | 27.5 | 44 | 69 | 110 | 176 | 275 | 440 | 690 |
| 等百分比 | 6.3 | 10 | 16 | 25 | 40 | 63 | 100 | 160 | 250 | 400 | 630 | |
|
執行機構 型號 |
正作用 | ZHA-22 | ZHA-23 | ZHA-34 | ZHA-45 | |||||||
| 反作用 | ZHB-22 | ZHB-23 | ZHB-34 | ZHB-45 | ||||||||
| 額定行程 L(mm) | 16 | 25 | 40 | 60 | ||||||||
| 膜片有效面積 Ae(cm2) | 280 | 400 | 600 | 1000 | ||||||||
| 公稱壓力 PN(MPa) | 1.6 2.5 4.0 6.4 10.0 | |||||||||||
| 固有流量特性 | 直線 等百分比 | |||||||||||
| 固有可調比 R | 50:01:00 | |||||||||||
| 信號范圍 Pr(KPa) | 20-60、20-100、40-200、60-100、80-240 | |||||||||||
| 氣源壓力 Ps(MPa) | 0.14、0.25、0.28、0.40 | |||||||||||
氣動調節閥主要性能指標
| 序號 | 項 目 | 標準型調節閥 | 散熱、低溫型調節閥 | ||||
| 不帶定位器 | 帶定位器 | 不帶定位器 | 帶定位器 | ||||
| 1 | 基本誤差<(%) | ±5 | ±1 | ±15 | ±4 | ||
| 2 | 回差<(%) | 3 | 1 | 10 | 3 | ||
| 3 | 死區<(%) | 3 | 0.4 | 8 | 1 | ||
| 4 |
始終點偏差 <(%) |
氣開 | 始點 | ±2.5 | ±1 | ±6 | ±2.5 |
| 終點 | ±5 | ±15 | |||||
| 氣關 | 始點 | ±5 | ±15 | ||||
| 終點 | ±2.5 | ±6 | |||||
| 5 | ±2.5 | 2.5 | 6 | 2.5 | |||
流量特性

|
行程 流量特性 |
0 | 10 | 20 | 30 | 40 | 50 | 60 | 70 | 80 | 90 | 100 |
| 線性 | 2 | 11.8 | 21.7 | 32.1 | 42 | 51.2 | 61.2 | 71.1 | 80.4 | 90.5 | 100 |
| 等百分比 | 2 | 3.1 | 4.5 | 6.5 | 9.6 | 14.2 | 19.8 | 29.9 | 45.6 | 68.2 | 100 |
允許壓差
|
執行機構 型號 |
彈簧范圍 (KPa) |
氣源壓力 (MPa) |
定位器 帶/否 |
閥座直徑 dn(mm) | ||||||||||
| 20 | 25 | 32 | 40 | 50 | 65 | 80 | 100 | 125 | 150 | 200 | ||||
| ZHA-22 | 20—100 | 0.14 | 否 | 1.27 | 1.06 | |||||||||
| 帶 | 3.81 | 3.18 | ||||||||||||
| 40—200 | 0.25 | 帶 | 5.4 | 4.5 | ||||||||||
| 80—240 | 0.4 | 帶 | 10 | 9.81 | ||||||||||
| ZHA-23 | 20—100 | 0.14 | 否 | 1.33 | 0.93 | 0.76 | ||||||||
| 帶 | 3.4 | 2.8 | 2.29 | |||||||||||
| 40—200 | 0.25 | 帶 | 4.82 | 3.96 | 3.24 | |||||||||
| 80—240 | 0.4 | 帶 | 10 | 8.63 | 7.06 | |||||||||
| ZHA-34 | 20—100 | 0.14 | 否 | 0.92 | 0.76 | 0.61 | ||||||||
| 帶 | 2.78 | 2.29 | 1.85 | |||||||||||
| 40—200 | 0.25 | 帶 | 3.94 | 3.24 | 2.62 | |||||||||
| 80—240 | 0.4 | 帶 | 8058 | 7.06 | 5.72 | |||||||||
| ZHA-45 | 20—100 | 0.14 | 否 | 0.86 | 0.72 | 0.54 | ||||||||
| 帶 | 2.58 | 2.16 | 1.63 | |||||||||||
| 40—200 | 0.25 | 帶 | 3.66 | 3.7 | 2.32 | |||||||||
| 80—240 | 0.4 | 帶 | 7.97 | 6.68 | 5.05 | |||||||||
|
執行機構 型號 |
彈簧范圍 (KPa) |
氣源壓力 (MPa) |
定位器 帶/否 |
閥座直徑 dn(mm) | ||||||||||
| 20 | 25 | 32 | 40 | 50 | 65 | 80 | 100 | 125 | 150 | 200 | ||||
| ZHB-22 | 20—100 | 0.14 | 帶/否 | 1.27 | 1.06 | |||||||||
| 40—200 | 0.25 | 帶 | 3.81 | 3.18 | ||||||||||
| 80—240 | 0.28 | 帶 | 10 | 8.48 | ||||||||||
| ZHB-23 | 20—100 | 0.14 | 帶/否 | 1.33 | 0.93 | 0.76 | ||||||||
| 40—200 | 0.25 | 帶 | 3.4 | 2.8 | 2.29 | |||||||||
| 80—240 | 0.28 | 帶 | 9.08 | 7.46 | 6.11 | |||||||||
| ZHB-34 | 20—100 | 0.14 | 帶/否 | 0.92 | 0.76 | 0.61 | ||||||||
| 40—200 | 0.25 | 帶 | 2.78 | 2.29 | 1.85 | |||||||||
| 80—240 | 0.28 | 帶 | 7.4 | 6.11 | 4.94 | |||||||||
| ZHB-45 | 20—100 | 0.14 | 帶/否 | 0.86 | 0.72 | 0.54 | ||||||||
| 40—200 | 0.25 | 帶 | 2.58 | 2.16 | 1.63 | |||||||||
| 80—240 | 0.28 | 帶 | 6.89 | 5.78 | 4.37 | |||||||||
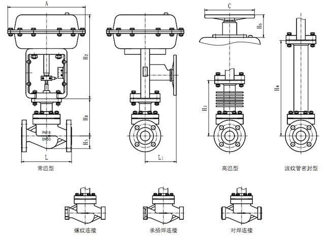
配氣動執行機構外形尺寸(常溫型、高溫型)
| 公稱通徑(DN) | 20 | 25 | 32 | 40 | 50 | 65 | 80 | 100 | 125 | 150 | 200 | |
|
結構長度 (L) |
PN16/25 | 184 | 184 | 200 | 222 | 254 | 276 | 298 | 352 | 420 | 451 | 543 |
| PN40 | 184 | 184 | 200 | 222 | 254 | 276 | 317 | 368 | 400 | 473 | 568 | |
| PN64、100 | 206 | 210 | 251 | 251 | 286 | 311 | 337 | 394 | 500 | 508 | 610 | |
| H1 | 128 | 128 | 152 | 152 | 160 | 205 | 205 | 208 | 273 | 333 | 364 | |
| H2 | 298 | 298 | 298 | 298 | 298 | 380 | 380 | 380 | 510 | 510 | 510 | |
| H3 | 208 | 208 | 224 | 228 | 228 | 334 | 334 | 342 | 408 | 453 | 482 | |
| H4 | 338 | 338 | 402 | 402 | 405 | 627 | 628 | 635 | 698 | 702 | 728 | |
| H5 | 53 | 58 | 68 | 73 | 80 | 90 | 98 | 108 | 123 | 140 | 168 | |
| H6 | 180 | 180 | 180 | 180 | 180 | 236 | 236 | 236 | 310 | 310 | 310 | |
| A | 282 | 282 | 282 | 282 | 282 | 360 | 360 | 360 | 470 | 470 | 470 | |
| C | 220 | 220 | 220 | 220 | 220 | 270 | 270 | 270 | 320 | 320 | 320 | |
| L1 | 289 | 289 | 289 | 289 | 289 | 347 | 347 | 347 | 476 | 476 | 476 | |
| 壓力等級 | GB:1.6、2.5、4.0、6.4、10.0MPa ANSI:150、300、600LB JIS:10、20、30、40K | |||||||||||
| 執行機構 | ZHB-22 | ZHB-23 | ZHB-34 | ZHB-45 | ||||||||
產品外形結構尺寸圖


聲明:本文中所有文字、數據、圖片均只適用于參考,ZJSM氣動薄膜套筒調節閥、壓力平衡調節閥性能參數、結構尺寸參數、價格等詳情,請聯系我們,電話:021-80392609。





