

GYT/W-4(Z、J)葉輪給料機
產品概述 GYT/W-4(Z、J)葉輪給料機又名星形 卸灰閥 、星形卸料閥、回轉下料器。由閥體、傳動軸、葉片和減速器等給成。減速電機帶動傳動軸和葉輪旋轉,從而達到卸灰的目的。具有葉片耐磨性好、鎖氣性能高、卸料徹底、連接平穩、構緊湊等特點彈性葉輪給料機采...
產品型號:GYTW-4(Z、J)、GYW-4(Z、J)
產品口徑(DN):150~500、150*150~500*500(mm)
產品壓力(PN):0.4(Mpa)
更新日期:2012-05-11
免費詢價
24小時免費咨詢電話021-80392609
- 產品詳情
產品概述
GYT/W-4(Z、J)葉輪給料機又名星形卸灰閥、星形卸料閥、回轉下料器。由閥體、傳動軸、葉片和減速器等給成。減速電機帶動傳動軸和葉輪旋轉,從而達到卸灰的目的。具有葉片耐磨性好、鎖氣性能高、卸料徹底、連接平穩、構緊湊等特點彈性葉輪給料機采用彈性轉子,密封性更好,保證均勻喂料。廣泛應用于建材、冶金、化工、電力等部門作為各類除塵設備的卸料裝置及各種磨機、烘干機、料倉等設備的給卸料裝置。主要性能參數
| 規格 | 圓形 | φ150 | φ200 | φ250 | φ300 | φ350 | φ400 | φ450 | φ500 | |
| 方形 | 150×150 | 200×200 | 200×300 | 300×300 | 300×400 | 400×400 | 450×500 | 500×500 | ||
|
GYT-4Z GYW-4Z GYT-4 GYW-4 |
剛性 | 給料能力m3/h | 4-6 | 12 | 23 | 41 | 55 | 98 | 121 | 143 |
| 葉輪轉速 | 34r/min | 25r/min | 21r/min | |||||||
| 彈性 | 給料能力m3/h | 2.1 | 3.6 | 9 | 15 | 23 | 30 | 48 | 66 | |
| 葉輪轉速 | 34r/min | |||||||||
| 功率KW | 0.55 | 1.1 | 2.2 | 3 | ||||||
| 擺線針輪減速機型號 | ||||||||||
|
GYT-4J GYW-4J |
剛性 | 給料能力m3/h | 0.5~10 | 1~20 | 2~40 | 4~70 | 6~88 | 10~150 | 20~240 | 30~280 |
| 葉輪轉速 | 6~60r/min | 6~40r/min | ||||||||
| 彈性 | 給料能力m3/h | 0.3~3 | 0.5~5 | 1.2~12 | 2~20 | 3~30 | 4~40 | 6~60 | 8~80 | |
| 葉輪轉速 | 4~40r/min | |||||||||
| 功率KW | 0.55 | 1.1 | 2.2 | 3 | ||||||
| 電磁調速減速機型號 | YCT112-4A | YCT132-4A | YCT132-4A YCT132-4B | |||||||
|
YJD-A YJD-B |
給料能力m3/h | 2-4 | 6 | 8~10 | 12~16 | 20 | 26 | 30 | 36~40 | |
| 葉輪轉速 | 24r/min | |||||||||
| 功率KW | 0.55 | 1.1 | 2.2 | |||||||
| 電源電壓 | 380V.AC 50HZ | |||||||||
| 適用介質和溫度 | 粉壯或小顆粒狀物料<80℃ <150℃ <250℃ | |||||||||
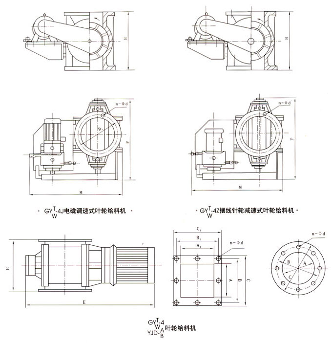
產品外形及連接尺寸
| A(A1) | B(B2) | C(C1) | n-φd | H | M | F | E |
GYW-4 質量 |
GYW-4Z 質量 |
GYW-4J 質量 |
| φ150 | φ240 | φ210 | 8-φ11 | 230 | 720 | 600 | 520 | 40 | 250 | 270 |
| φ200 | φ300 | φ260 | 8-φ11 | 300 | 800 | 700 | 570 | 75 | 275 | 295 |
| φ250 | φ350 | φ310 | 8-φ13 | 340 | 850 | 750 | 660 | 100 | 320 | 340 |
| φ300 | φ400 | φ360 | 8-φ17 | 400 | 900 | 800 | 730 | 155 | 380 | 400 |
| φ350 | φ450 | φ410 | 8-φ17 | 450 | 960 | 860 | 780 | 1900 | 500 | 520 |
| φ400 | φ500 | φ460 | 8-φ17 | 500 | 1020 | 920 | 820 | 240 | 700 | 720 |
| φ450 | φ600 | φ560 | 8-φ17 | 600 | 1080 | 980 | 940 | 280 | 900 | 930 |
| φ500 | φ710 | φ660 | 8-φ17 | 700 | 1140 | 1040 | 990 | 320 | 1100 | 1150 |
| 150×150 | 240×240 | 210×210 | 8-φ11 | 230 | 720 | 600 | 520 | 45 | 260 | 280 |
| 150×200 | 240×300 | 210×260 | 8-φ11 | 230 | 800 | 700 | 570 | 60 | 290 | 310 |
| 200×200 | 300×300 | 260×260 | 8-φ11 | 300 | 800 | 700 | 570 | 80 | 310 | 330 |
| 200×300 | 300×400 | 260×360 | 8-φ13 | 300 | 900 | 800 | 730 | 140 | 330 | 350 |
| 300×300 | 400×400 | 360×360 | 8-φ17 | 400 | 960 | 860 | 730 | 160 | 390 | 410 |
| 300×400 | 400×500 | 360×460 | 16-φ17 | 400 | 1020 | 920 | 820 | 220 | 510 | 530 |
| 400×400 | 500×500 | 460×460 | 16-φ17 | 500 | 1020 | 920 | 820 | 250 | 560 | 590 |
| 400×500 | 500×710 | 460×660 | 16-φ17 | 500 | 1140 | 1040 | 990 | 300 | 980 | 1020 |
| 500×500 | 710×710 | 660×660 | 16-φ17 | 700 | 1140 | 1040 | 990 | 350 | 1150 | 1200 |
| 每轉升 | A | B | C | A1 | B1 | C1 | H | M | F | E | 孔徑直 | 重量(kg) |
| 2 | 150 | 200 | 240 | 150×150 | 200×200 | 240×240 | 240 | 120 | 120 | 500 | 8-9 | 40 |
| 4 | 180 | 240 | 280 | 180×180 | 230×230 | 260×260 | 280 | 140 | 140 | 530 | 8-11 | 60 |
| 6 | 200 | 260 | 300 | 200×200 | 250×250 | 280×280 | 300 | 150 | 150 | 550 | 8-11 | 75 |
| 8 | 220 | 280 | 320 | 220×220 | 270×270 | 300×300 | 320 | 160 | 160 | 580 | 8-11 | 80 |
| 10 | 240 | 300 | 340 | 240×240 | 290×290 | 320×320 | 340 | 170 | 170 | 600 | 8-13 | 100 |
| 12 | 260 | 320 | 360 | 260×260 | 310×310 | 340×340 | 360 | 180 | 180 | 620 | 8-13 | 115 |
| 14 | 280 | 340 | 380 | 280×280 | 330×330 | 360×360 | 380 | 190 | 190 | 640 | 8-17 | 130 |
| 16 | 300 | 360 | 400 | 300×300 | 350×350 | 380×380 | 400 | 200 | 200 | 670 | 8-17 | 150 |
| 18 | 320 | 380 | 420 | 320×320 | 370×370 | 400×400 | 420 | 210 | 210 | 690 | 8-17 | 165 |
| 20 | 340 | 400 | 440 | 340×340 | 390×390 | 420×420 | 440 | 220 | 220 | 710 | 8-17 | 190 |
| 26 | 400 | 460 | 500 | 400×400 | 450×450 | 480×480 | 500 | 250 | 250 | 770 | 8-17 | 230 |
| 30 | 440 | 500 | 540 | 440×440 | 490×490 | 520×520 | 540 | 270 | 270 | 820 | 8-17 | 280 |
| 36 | 500 | 560 | 600 | 500×500 | 550×550 | 580×580 | 600 | 300 | 300 | 950 | 8-20 | 320 |
| 40 | 540 | 600 | 640 | 540×540 | 590×590 | 620×620 | 640 | 320 | 320 | 990 | 8-20 | 400 |
產品外形結構尺寸圖

聲明:本文中所有文字、數據、圖片均只適用于參考,GYT/W-4(Z、J)葉輪給料機性能參數、結構尺寸參數、價格等詳情,請聯系我們,電話:021-80392609。






