

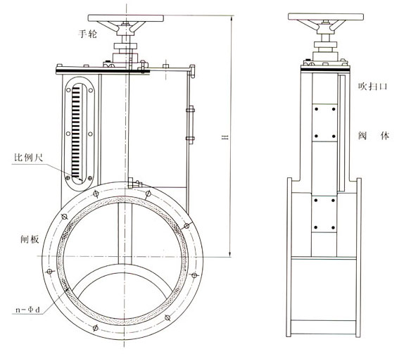
TZW型手動升降比例閥
產品概述 升降比例閥是一種含氣體、無粘度的小顆粒粉塵、粉料等介質的氣體輸送管道中,作為調節或切斷介質流量的主要控制調節設備,它可廣泛地適用于冶金、建材、化工、電站、玻璃等行業除塵系統中。 產品特點 升降 比例閥 的閥體、閥板采用***質碳鋼焊接而成...
- 產品詳情
產品概述
升降比例閥是一種含氣體、無粘度的小顆粒粉塵、粉料等介質的氣體輸送管道中,作為調節或切斷介質流量的主要控制調節設備,它可廣泛地適用于冶金、建材、化工、電站、玻璃等行業除塵系統中。產品特點
升降比例閥的閥體、閥板采用碳鋼焊接而成,并在閥體上設有開度顯示器,能正確反映閥板的開啟位置,同時沒有吹哨孔,便于清掃絲桿上灰塵,從而確保閥門的使用壽命及閥門開啟力矩。產品性能參數
公稱壓力:0.01Mpa工作溫度:≤150℃
適用介質:含塵氣體、空氣、煙氣、無粘度的小顆粒粉塵、粉料。
介質流速:≤28m/s
調節特性:等百分比
主要零件材料:
閥體、閥板:采用碳鋼焊接
閥板與風道接觸面:3Cr13I不銹鋼
螺旋絲桿:采用2Cr13
產品外形結構尺寸
| 公稱通徑DN | L | D | D1 | b | n | d | H | 重量kg |
| 200 | 200 | 310 | 280 | 10 | 8 | 14 | 510 | 38 |
| 220 | 200 | 330 | 300 | 10 | 12 | 14 | 535 | 40 |
| 250 | 200 | 360 | 330 | 10 | 12 | 14 | 575 | 48 |
| 260 | 200 | 370 | 340 | 10 | 12 | 14 | 590 | 52 |
| 280 | 200 | 390 | 360 | 10 | 12 | 14 | 610 | 60 |
| 300 | 200 | 410 | 380 | 10 | 12 | 14 | 700 | 65 |
| 320 | 200 | 430 | 400 | 10 | 12 | 14 | 725 | 70 |
| 340 | 200 | 450 | 420 | 10 | 12 | 14 | 750 | 85 |
| 350 | 200 | 460 | 430 | 10 | 12 | 14 | 770 | 90 |
| 360 | 200 | 470 | 440 | 10 | 12 | 14 | 780 | 96 |
| 380 | 200 | 490 | 460 | 10 | 12 | 14 | 800 | 100 |
| 400 | 250 | 510 | 480 | 10 | 16 | 14 | 890 | 115 |
| 420 | 250 | 530 | 500 | 12 | 16 | 14 | 930 | 125 |
| 450 | 250 | 560 | 530 | 14 | 16 | 18 | 1010 | 140 |
| 480 | 250 | 600 | 560 | 14 | 16 | 18 | 1050 | 180 |
| 500 | 300 | 620 | 580 | 14 | 16 | 18 | 1090 | 200 |
| 520 | 300 | 640 | 600 | 14 | 20 | 18 | 1110 | 220 |
| 620 | 350 | 750 | 710 | 14 | 20 | 18 | 1280 | 240 |
| 630 | 350 | 760 | 720 | 14 | 20 | 18 | 1305 | 250 |
| 680 | 350 | 790 | 750 | 16 | 24 | 18 | 1380 | 280 |
| 720 | 350 | 830 | 790 | 16 | 24 | 18 | 1440 | 320 |
| 750 | 350 | 870 | 830 | 16 | 24 | 18 | 1525 | 350 |
| 850 | 350 | 970 | 930 | 20 | 24 | 18 | 1675 | 380 |
| 900 | 350 | 1020 | 980 | 20 | 24 | 18 | 1750 | 450 |
| 950 | 350 | 1070 | 1030 | 20 | 28 | 18 | 1825 | 500 |
| 1000 | 400 | 1120 | 1080 | 20 | 28 | 20 | 1950 | 600 |
| 1200 | 400 | 1400 | 1280 | 20 | 28 | 22 | 2250 | 800 |
| 1250 | 400 | 1370 | 1330 | 20 | 28 | 22 | 2525 | 890 |
產品外形結構尺寸圖

聲明:本文中所有文字、數據、圖片均只適用于參考,TZW型手動升降比例閥性能參數、結構尺寸參數、價格等詳情,請聯系我們,電話:021-80392609。





