

Q648MX球面偏置式氣動鐘閥
產品概述 Q648MX球面偏置式氣動鐘閥具有軸承不進灰、密封性能好、使用壽命長、動作靈敏、可靠等特點。是高爐煤系統中噴吹罐和中間罐等設備上截流和密封用的***理想設備。 主要性能參數 Q648MX球面偏置式氣動 鐘閥 主要性能參數 型號 公稱壓力Mpa 殼體試驗Mp...
- 產品詳情
產品概述
Q648MX球面偏置式氣動鐘閥具有軸承不進灰、密封性能好、使用壽命長、動作靈敏、可靠等特點。是高爐煤系統中噴吹罐和中間罐等設備上截流和密封用的理想設備。主要性能參數
| 型號 | 公稱壓力Mpa | 殼體試驗Mpa | 供氣壓力Mpa | 動作時間 | 適用溫度℃ | 適用介質 |
| Q648MX-10 | 1.0 | 1.5 | 0.4-0.6 | ≤8S | ≤150 | 煤粉等 |
| Q648MX-16 | 1.6 | 2.4 |
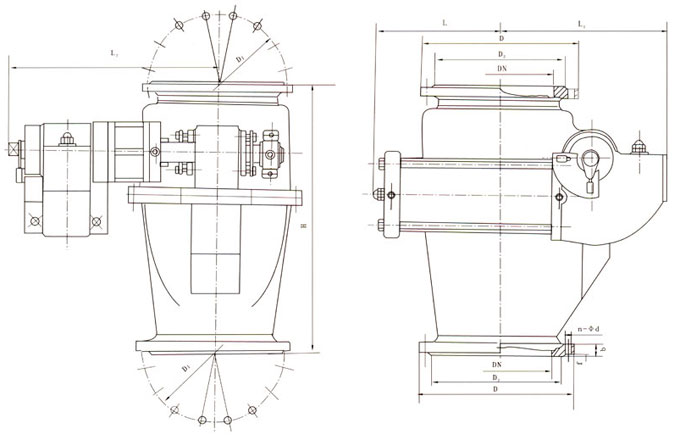
產品外形結構尺寸
| 公稱壓力PN | 公稱通徑DN | D | D1 | D2 | b | f | n-φd | L | L1 | L2 | H | 管接頭 | 氣缸型號 |
| 1.0Mpa | 300 | 440 | 400 | 370 | 28 | 3 | 12-23 | 375 | 485 | 648 | 850 | M18×1.5 | (B)QGA200×250 |
| 400 | 565 | 515 | 482 | 32 | 3 | 16-26 | 477 | 630 | 786 | 1000 | M27×2 | (B)QGA250×340 | |
| 500 | 675 | 620 | 585 | 34 | 3 | 20-25 | 625 | 770 | 875 | 1200 | M27×2 | (B)QGA300×460 | |
| 1.6Mpa | 300 | 460 | 410 | 378 | 34 | 3 | 12-25 | 375 | 485 | 648 | 850 | M18×1.5 | (B)QGA200×250 |
| 400 | 580 | 525 | 485 | 40 | 5 | 16-30 | 477 | 630 | 786 | 1000 | M27×2 | (B)QGA250×340 | |
| 500 | 705 | 650 | 608 | 46 | 5 | 20-34 | 625 | 770 | 875 | 1200 | M27×2 | (B)QGA300×460 |
產品外形結構尺寸圖

聲明:本文中所有文字、數據、圖片均只適用于參考,Q648MX球面偏置式氣動鐘閥性能參數、結構尺寸參數、價格等詳情,請聯系我們,電話:021-80392609。






