

F743X液動扇形眼鏡閥
產品概述 液動扇形眼鏡閥又名液動扇形盲板閥, 主要由左閥體、右閥體、絲桿、閘板、密封圈、杠桿、液壓油缸等零件組成,并由底座、支撐柱構成一個剛性結構體。閥門中設有夾緊、松開汽缸和翻板汽缸,夾 緊、松開汽缸通過杠桿和絲桿螺旋驅動左、右閥體完成松開...
產品型號:F743X
產品口徑(DN):300~1000(mm)
產品壓力(PN):0.05~0.25(Mpa)
更新日期:2012-05-28
免費詢價
24小時免費咨詢電話021-80392609
- 產品詳情
產品概述
液動扇形眼鏡閥又名液動扇形盲板閥, 主要由左閥體、右閥體、絲桿、閘板、密封圈、杠桿、液壓油缸等零件組成,并由底座、支撐柱構成一個剛性結構體。閥門中設有夾緊、松開汽缸和翻板汽缸,夾 緊、松開汽缸通過杠桿和絲桿螺旋驅動左、右閥體完成松開、夾緊動作,翻板汽缸驅動閘板完成開關動作。橡膠密封圈鑲鉗在閘板上,具有耐高溫、密封性能好、更 換方便、使用壽命長等特點。液動盲板閥可以單臺遠距離控制,亦可多臺聯網遠距離控制,非正常情況下還可以利用閥門本身裝置手動操作。主要性能參數
| 公稱壓力MPa | 0.25 | 0.15 | 0.10 | 0.05 |
| 密封試驗壓力MPa | 0.275 | 0.165 | 0.11 | 0.055 |
| 強度試驗壓力MPa | 0.40 | 0.225 | 0.15 | 0.075 |
| 驅動源 | 壓縮空氣0.4-0.6MPa 油壓壓力6.3MPa 3相380V50HZ | |||
| 適用溫度℃ | 丁腈橡膠 | 硅橡膠 | 氟橡膠 | |
| -20-100 | -20-200 | -20-300 | ||
| 適用介質 | 煤氣等有毒、有害、易燃氣體 | |||
| 啟閉時間S | ≤60 | |||
| 主要零部件材料 | 閥體、閘板為碳鋼;絲桿為合金鋼;螺母為錳銅合金、球墨鑄鐵;伸縮器為不銹鋼 | |||
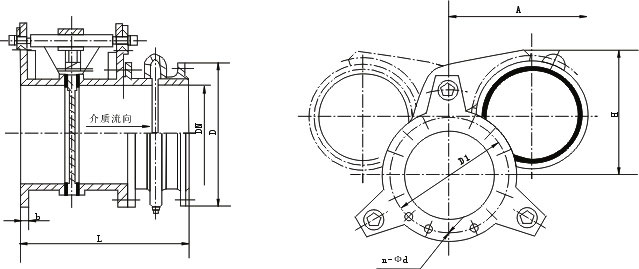
產品外形連接尺寸
| DN | D | D1 | b | n-φd | L |
| 300 | 440 | 395 | 22 | 12-φ22 | 450 |
| 350 | 490 | 445 | 22 | 12-φ22 | 450 |
| 400 | 540 | 495 | 22 | 16-φ22 | 450 |
| 450 | 595 | 550 | 24 | 16-φ22 | 500 |
| 500 | 645 | 600 | 24 | 16-φ22 | 500 |
| 600 | 755 | 705 | 24 | 20-φ26 | 600 |
| 700 | 860 | 810 | 26 | 24-φ26 | 600 |
| 800 | 975 | 920 | 26 | 24-φ30 | 800 |
| 900 | 1075 | 1020 | 28 | 24-φ30 | 800 |
| 1000 | 1175 | 1120 | 30 | 28-φ30 | 800 |
產品外形結構尺寸圖

聲明:本文中所有文字、數據、圖片均只適用于參考,F743X液動扇形眼鏡閥性能參數、結構尺寸參數、價格等詳情,請聯系我們,電話:021-80392609。





