

PZ73X/PZ73F/PZ73H/PZ73Y型手動刀型薄型閘閥/不銹鋼手動對夾式刀
產品概述 PZ73X/PZ73F/PZ73H/PZ73Y型手動刀型薄型閘閥采用手輪驅動,一般為小口徑閥門,具有結構緊湊、設計合理、輕型節材,密封可靠、操作輕便靈活、體積...
產品型號:PZ73X/PZ73F/PZ73H/PZ73Y
產品口徑(DN):50~900(mm)
產品壓力(PN):0.6~2.5(Mpa)
更新日期:2015-05-20
免費詢價
24小時免費咨詢電話021-80392609
- 產品詳情
產品概述
PZ73X/PZ73F/PZ73H/PZ73Y型手動刀型薄型閘閥采用手輪驅動,一般為小口徑閥門,具有結構緊湊、設計合理、輕型節材,密封可靠、操作輕便靈活、體積小、通道流暢、流阻小、重量輕、易安裝、易拆卸等***點,可在工作壓力0.6MPa-2.5MPa,使用溫度-29-650℃情況下正常工作。刀型閘閥其閘板具有剪切功能,可刮除密封面上的粘著物,自動雜物,不銹鋼閘板可防止腐蝕引起的密封泄漏。產品標準
設計制造: JB/T8691-1998結構長度: GB/T15188.2-94
法蘭連接: GB/T9113.1-2000 JB/T79-94
試驗與驗收:GB/T13927-92
主要零部件材質
| 閥體、上蓋 | 碳鋼、不銹鋼 |
| 閥板 | 不銹鋼 |
| 閥桿 | 不銹鋼 |
| 密封圈 | 橡膠、四氟、不銹鋼、硬質合金 |
主要性能參數
| 公稱壓力 | PN |
| 殼體試驗 | 1.5XPN |
| 密封試驗 | 1.1XPN |
| 工作溫度 | 橡膠≤80℃ 四氟密封≤180℃ 硬密封≤425℃ |
| 適用介質 | 糖漿、紙漿、污水、煤漿、灰、渣水混合物 |
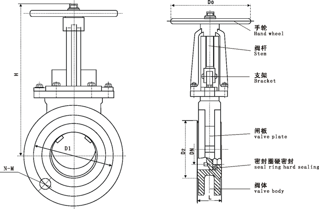
產品外形結構尺寸
| 公稱壓力 | 公稱通徑(mm) | L | D | D1 | D2 | H | N-M | D0 |
| 1.0 | 50 | 48 | 160 | 125 | 100 | 285 | 4-M16 | 180 |
| 65 | 48 | 180 | 145 | 120 | 298 | 4-M16 | 180 | |
| 80 | 50 | 195 | 160 | 135 | 315 | 4-M16 | 220 | |
| 100 | 50 | 215 | 180 | 155 | 365 | 8-M16 | 220 | |
| 125 | 57 | 245 | 210 | 185 | 400 | 8-M16 | 230 | |
| 150 | 57 | 280 | 240 | 210 | 475 | 8-M20 | 280 | |
| 200 | 70 | 335 | 295 | 265 | 540 | 8-M20 | 360 | |
| 250 | 70 | 390 | 350 | 320 | 630 | 12-M20 | 360 | |
| 300 | 76 | 440 | 400 | 368 | 780 | 12-M20 | 400 | |
| 350 | 76 | 500 | 460 | 429 | 885 | 16-M20 | 400 | |
| 400 | 89 | 565 | 515 | 482 | 990 | 16-M22 | 400 | |
| 450 | 89 | 615 | 565 | 532 | 1100 | 20-M22 | 530 | |
| 500 | 114 | 670 | 620 | 585 | 1200 | 20-M22 | 530 | |
| 600 | 114 | 780 | 725 | 685 | 1450 | 20-M27 | 600 | |
| 700 | 130 | 895 | 940 | 800 | 1700 | 24-M27 | 600 | |
| 800 | 130 | 1010 | 950 | 905 | 2000 | 24-M30 | 680 | |
| 900 | 140 | 1110 | 1050 | 1005 | 2300 | 28-M30 | 680 |
產品外形結構尺寸圖

刀型閘閥的安裝注意事項
1.刀型閘閥安裝前須檢查閥門腔內和密封面等部位,不允許有污物或砂粒附著;
2.各連接部位螺栓,要求均勻擰緊;
3.檢查填料部位要求壓緊,既保證填料的密封性,也要保證閘板開啟靈活;
4.用戶在安裝閥門前,校對閥門型號,連接尺寸及注意介質流向,保證與閥門要求一致性;
5.用戶在安裝閥門時,預留閥門驅動的必要空間;
6.驅動裝置的接線須按線路圖進行;
7.刀閘閥定期保養,不得隨意碰撞及擠壓,以免影響密封。

聲明:本文中所有文字、數據、圖片均只適用于參考,PZ73X/PZ73F/PZ73H/PZ73Y型手動刀型薄型閘閥/不銹鋼手動對夾式刀性能參數、結構尺寸參數、價格等詳情,請聯系我們,電話:021-80392609。




